Product Summary
The 2SC3733-K is an NPN silicon transistor designed for power amplifier and high speed switching applications.
Parametrics
2SC3733-K absolute maximum ratings: (1)maximum temperature: -55 to 150℃; (2)Junction temperature: 150℃; (3)Total power dissipation: 1.0W; (4)VCBO: 80V; (5)VCEO: 45V; (6)VEBO: -5.0V; (7)IC(DC): 1.0A.
Features
2SC3733-K features: (1)high speed, high volatge switching; (2)Low colllector saturation volatge; (3)Complementary to the NEC 2SC3733 NPN transistor.
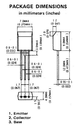
Diagrams

(Hong Kong)









