Product Summary
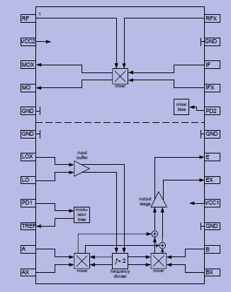
The PMB2208RV1.2 is a direct quadrature modulator and an up/down-conversion mixer with corresponding bias circuitry. The PMB2208RV1.2 splits the signal at the LO/LOX input into two orthogonal carriers. The frequency of the PMB2208RV1.2 is half of the LO/LOX input frequency. The carriers are multiplied with the baseband modulation signals at the A/AX and B/BX inputs. Applications are (1)Vector-modulated digital mobile cellular systems, such as GSM, PDC-800, PDC-1.5, PHS, DAMPS, DCS1800, WLAN, etc.; (2)Various modulatioschemes, such as PM, PSK, FSK, QAM, QPSK, GMSK, etc.; (3)Analog systems with FM and AM modulation; (4)Space- and power-saving optimizations of existing discrete transmitter circuits.
Parametrics
PMB2208RV1.2 absolute maximum ratings: (1)Supply voltage 9CC: -0.5 to 5.0 V; (2)Input voltage IF, IFX 9IF: 2 V; (3)Input current IF, IFX ,IF: 10 mA; (4)Differential input voltage 9I - 9IX: -2 to 2 V; (5)Junction temperature Tj: 125 °C; (6)Storage temperature TS: -55 to 125 °C; (7)Thermal resistance (junction to lead)5thJL 140 K/W ESD integrity 9ESD: -1000 to 1000 V.
Features
PMB2208RV1.2 features: (1)Direct quadrature modulator and up/down-conversiomixer oone chip; (2)LO input frequency range from 200MHz to 550MHz corresponds to aoutput frequency range from 100MHz to 275MHz; (3)Generatioof orthogonal carriers without external elements and without trimming; (4)Low output noise floor; (5)Double-balanced Gilbert cell; (6)RF and IF frequency range from DC to 2.5GHz; (7)typ 39dB carrier suppression; (8)Low noise; (9)Supply voltage range from 2.7 to 4.5V; (10)Power-dowmode; (11)P-TSSOP-24 package; (12)Temperature range -30 to 85°C.
Diagrams
(Hong Kong)






