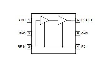
Product Summary
The RF2367TR7 is a low noise CDMA/TDMA/GSM PA driver amplifier with a very high dynamic range designed for transmit digital PCS applications with frequency ranges between 1700MHz and 2000MHz. The RF2367TR7 functions as an outstanding PA driver amplifier in the transmit chain of digital subscriber units where low transmit noise power is a concern. The IC includes a power down feature that can be used to completely turn off the device. The RF2367TR7 is featured in a standard SOT23-6 plastic package. It is ideal for: (1)TDMA/CDMA/FM PCS Tx Amplifier; (2)Low Noise Transmit Driver Amplifier; (3)2.4GHz WLAN Systems; (4)GSM1800 Driver Amplifier; (5)General Purpose Amplification; (6)Commercial and Consumer Systems.
Parametrics
RF2367TR7 absolute maximum ratings: (1)Supply Voltage: -0.5 to +8.0 VDC; (2)Input RF Level: +10 dBm; (3)Storage Temperature: -40 to +150 °C.
Features
RF2367TR7 features: (1)Low Noise and High Intercept Point; (2)Adjustable Bias Current; (3)Power Down Control; (4)Single 2.5V to 6.0V Power Supply; (5)150MHz to 2500MHz Operation; (6)Extremely Small SOT23-6 Package.
Diagrams

(Hong Kong)






