Product Summary
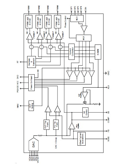
The RT9246A is a multi-phase buck DC/DC controller integrated with all control functions for GHz CPU VRM. The RT9246A controls 2 or 3 buck switching stages operating in interleaved phase set automatically. The multiphase architecture provides high output current while maintaining low power dissipation on power devices and low stress on input and output capacitors. The high equivalent operating frequency also reduces the component dimension and the output voltage ripple in load transient.
Parametrics
RT9246A absolute maximum ratings: (1)Supply Voltage, VCC: 7V; (2)Input, Output or I/O Voltage: GND − 0.3V to VCC + 0.3V; (3)Package Thermal Resistance TSSOP-28, θJA : 100°C/W; (4)Junction Temperature: 150°C; (5)Lead Temperature (Soldering, 10 sec.): 260°C; (6)Storage Temperature Range: −65°C to 150°C; (7)ESD Susceptibility (Note 2)HBM (Human Body Mode): 2kV; (8)MM (Machine Mode): 200V.
Features
RT9246A features: (1)Multi-Phase Power Conversion with Automatic Phase Selection; (2)K8 DAC Output with Active Droop Compensation for Fast Load Transient; (3)Smooth VCORE Transition at VID Jump; (4)Power Stage Thermal Balance by Inductor DCR Current Sense; (5)Hiccup Mode Over-Current Protection; (6)Programmable Switching Frequency (50kHz to 400kHz per Phase), Under-Voltage Lockout and Soft-Start; (7)High Ripple Frequency Times Channel Number; (8)RoHS Compliant and 100% Lead (Pb)-Free.
Diagrams

| Image | Part No | Mfg | Description | ![]() |
Pricing (USD) |
Quantity | ||||
|---|---|---|---|---|---|---|---|---|---|---|
![]() |
![]() RT9246A |
![]() Other |
![]() |
![]() Data Sheet |
![]() Negotiable |
|
||||
| Image | Part No | Mfg | Description | ![]() |
Pricing (USD) |
Quantity | ||||
![]() |
![]() RT9202 |
![]() Other |
![]() |
![]() Data Sheet |
![]() Negotiable |
|
||||
![]() |
![]() RT9202B |
![]() Other |
![]() |
![]() Data Sheet |
![]() Negotiable |
|
||||
![]() |
![]() RT9204/RT9204A |
![]() Other |
![]() |
![]() Data Sheet |
![]() Negotiable |
|
||||
![]() |
![]() RT9205 |
![]() Other |
![]() |
![]() Data Sheet |
![]() Negotiable |
|
||||
![]() |
![]() RT9205A |
![]() Other |
![]() |
![]() Data Sheet |
![]() Negotiable |
|
||||
![]() |
![]() RT9206 |
![]() Other |
![]() |
![]() Data Sheet |
![]() Negotiable |
|
||||
(Hong Kong)









