Product Summary
The FSX017WF is a general purpose GaAs FET designed for medium power applications up to the 12GHz. It has a wide dynamic range and are suitable for use in medium power, wide band, linear drive amplifiers or oscillators.
Parametrics
FSX017WF absolute maximum ratings: (1)Drain-Source Voltage: 12 V; (2)Gate-Source Voltage: -5 V; (3)Total Power Dissipation: 1.0 W at TC=25 ℃; (4)Storage Temperature: -65 to +175 ℃; (5)Channel Temperature: +175 ℃.
Features
FSX017WF features: (1)Medium Power Output: P1dB=21.5dB (Typ.)@8.0GHz; (2)High Power Gain: G1dB=11dB (Typ.)@8.0GHz; (3)Hermetic Metal/Ceramic Package; (4)Proven Reliability.
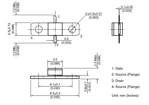
Diagrams

| Image | Part No | Mfg | Description | ![]() |
Pricing (USD) |
Quantity | ||||
|---|---|---|---|---|---|---|---|---|---|---|
![]() |
![]() FSX017WF |
![]() Other |
![]() |
![]() Data Sheet |
![]() Negotiable |
|
||||
| Image | Part No | Mfg | Description | ![]() |
Pricing (USD) |
Quantity | ||||
![]() |
![]() FSX017WF |
![]() Other |
![]() |
![]() Data Sheet |
![]() Negotiable |
|
||||
(Hong Kong)









