Product Summary
The mrf175gu is a RF MOSFET line RF power field-effect transistor. It is Designed for broadband commercial and military applications using push pull circuits at frequencies to 500 MHz. The high power, high gain and broadband performance of the mrf175gu makes possible solid state transmitters for FM broadcast or TV channel frequency bands.
Parametrics
mrf175gu absolute maximum ratings: (1)Drain–Source Voltage, VDSS: 65 Vdc; (2)Drain–Gate Voltage (RGS = 1.0 MΩ), VDGR: 65 Vdc; (3)Gate–Source Voltage, VGS: ±40 Vdc; (4)Drain Current — Continuous ,ID: 26 Adc; (5)Total Device Dissipation, PD: 400W; (6)Storage Temperature Range, Tstg: –65 to +150℃; (7)Operating Junction Temperature, TJ: 200℃.
Features
mrf175gu features: (1)Guaranteed Performance: MRF175GV @ 28 V, 225 MHz (V Suffix): Output Power:200 Watts; Power Gain: 14 dB Typ; Efficiency: 65% Typ; MRF175GU @ 28 V, 400 MHz (U Suffix): Output Power: 150 Watts; Power Gain: 12 dB Typ; Efficiency: 55% Typ; (2)100% Ruggedness Tested At Rated Output Power; (3)Low Thermal Resistance; (4)Low Crss — 20 pF Typ @ VDS = 28 V.
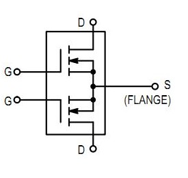
Diagrams

| Image | Part No | Mfg | Description | ![]() |
Pricing (USD) |
Quantity | ||||
|---|---|---|---|---|---|---|---|---|---|---|
![]() |
![]() MRF175GU |
![]() Other |
![]() |
![]() Data Sheet |
![]() Negotiable |
|
||||
![]() |
![]() MRF175GU1111 |
![]() Other |
![]() |
![]() Data Sheet |
![]() Negotiable |
|
||||
(Hong Kong)









