Product Summary
The MRF5P21180H is a RF Power Field Effect Transistor. Designed for W-CDMA base station applications with frequencies from 2110 to 2170 MHz. Suitable for TDMA, CDMA and multicarrier amplifier applications. To be used in Class AB for PCN-PCS/cellular radio and WLL applications.
Parametrics
MRF5P21180H absolute maximum ratings: (1)Drain-Source Voltage VDSS: -0.5 to +65 Vdc; (2)Gate-Source Voltage, VGS: -0.5 to +15 Vdc; (3)Total Device Dissipation @ TC = 25℃, PD: 530W, Derate above 25℃, PD: 3.0℃/W; (4)Storage Temperature Range, Tstg: -65 to +150℃; (5)Case Operating Temperature, TC: 150℃; (6)Operating Junction Temperature, TJ: 200℃.
Features
MRF5P21180H features: (1)Characterized with Series Equivalent Large-Signal Impedance Parameters; (2)Internally Matched for Ease of Use; (3)Qualified Up to a Maximum of 32 VDD Operation; (4)Integrated ESD Protection; (5)Lower Thermal Resistance Package; (6)Low Gold Plating Thickness on Leads, 40μ" Nominal.; (7)RoHS Compliant; (8)In Tape and Reel. R6 Suffix = 150 Units per 56 mm, 13 inch Reel.
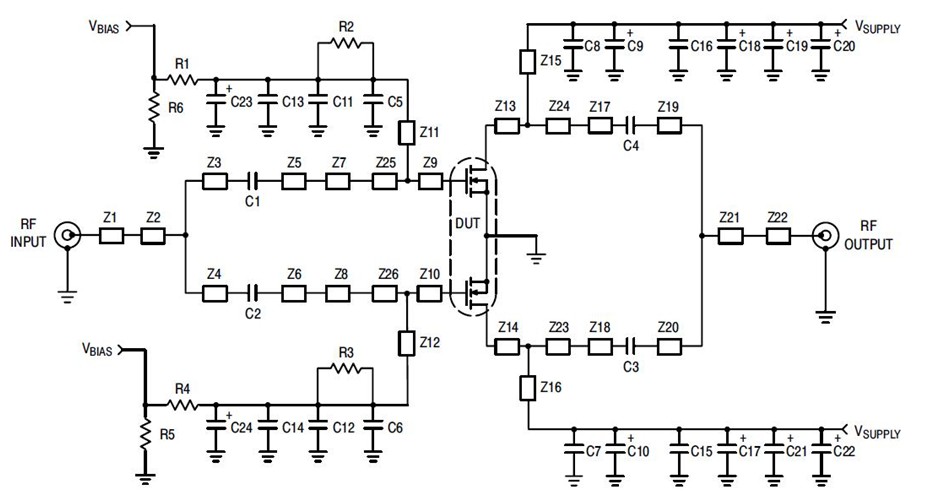
Diagrams

| Image | Part No | Mfg | Description | ![]() |
Pricing (USD) |
Quantity | ||||
|---|---|---|---|---|---|---|---|---|---|---|
![]() |
![]() MRF5P21180HR5 |
![]() Freescale Semiconductor |
![]() Transistors RF MOSFET Power HV5 38W WCDMA NI1230H |
![]() Data Sheet |
![]() Negotiable |
|
||||
![]() |
![]() MRF5P21180HR6 |
![]() Freescale Semiconductor |
![]() Transistors RF MOSFET Power HV5 38W WCDMA NI1230H |
![]() Data Sheet |
![]() Negotiable |
|
||||
(Hong Kong)









