Product Summary
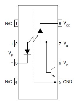
The 6N135 is a High Speed Transistor Optocoupler. The 6N135 consists of an AlGaAs LED optically coupled to a high speed photodetector transistor. A separate connection for the bias of the photodiode improves the speed by several orders of magnitude over conventional phototransistor optocouplers by reducing the base-collector capacitance of the input transistor. The 6N135 is used in Line receivers, Pulse transformer replacement, Output interface to CMOS-LSTTL-TTL, Wide bandwidth analog coupling.
Parametrics
6N135 absolute maximum ratings: (1)Storage Temperature TSTG: -55 to +125 ℃; (2)Operating Temperature TOPR: -55 to +100 ℃; (3)Lead Solder Temperature TSOL: 260 for 10 sec ℃; (4)DC/Average Forward Input Current IF(avg): 25 mA; (5)Peak Forward Input Current (50% duty cycle, 1 ms P.W.) IF(pk): 50 mA; (6)Peak Transient Input Current - (≤1 μs P.W., 300 pps) IF(trans): 1.0 A; (7)Reverse Input Voltage VR: 5 V; (8)Input Power Dissipation PD: 100 mW.
Features
6N135 features: (1)High speed-1 MBit/s; (2)Superior CMR-10 kV/μs; (3)Double working voltage-480V RMS; (4)CTR guaranteed 0-70℃; (5)U.L.
Diagrams

| Image | Part No | Mfg | Description | ![]() |
Pricing (USD) |
Quantity | ||||||||||||
|---|---|---|---|---|---|---|---|---|---|---|---|---|---|---|---|---|---|---|
![]() |
![]() 6N135 |
![]() Fairchild Semiconductor |
![]() High Speed Optocouplers DIP-8 HS PHOTO TRAN |
![]() Data Sheet |
![]()
|
|
||||||||||||
![]() |
![]() 6N135#020 |
![]() Avago Technologies |
![]() High Speed Optocouplers 1 Mb/s 5000Vrms |
![]() Data Sheet |
![]()
|
|
||||||||||||
![]() |
![]() 6N135#300 |
![]() Avago Technologies |
![]() High Speed Optocouplers 1 Mb/s 3750Vrms |
![]() Data Sheet |
![]()
|
|
||||||||||||
![]() |
![]() 6N135#500 |
![]() Avago Technologies |
![]() High Speed Optocouplers 1 Mb/s 3750Vrms |
![]() Data Sheet |
![]()
|
|
||||||||||||
![]() |
![]() 6N135(F) |
![]() Toshiba |
![]() High Speed Optocouplers Solid State Opto Photocoupler |
![]() Data Sheet |
![]()
|
|
||||||||||||
![]() |
![]() 6N135/6 |
![]() Other |
![]() |
![]() Data Sheet |
![]() Negotiable |
|
||||||||||||
![]() |
![]() 6N135_Q |
![]() Fairchild Semiconductor |
![]() High Speed Optocouplers DIP-8 HS PHOTO TRAN |
![]() Data Sheet |
![]() Negotiable |
|
||||||||||||
![]() |
![]() 6N135-000E |
![]() Avago Technologies |
![]() High Speed Optocouplers 1 Mb/s 3750Vrms |
![]() Data Sheet |
![]()
|
|
||||||||||||
(Hong Kong)












