Product Summary
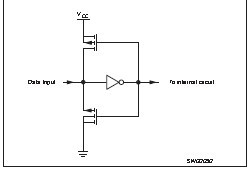
The 74ALVCH16260 is an 18-bit universal transceiver featuring non-inverting 3-State bus compatible output in both send and receive direction. Data flow in each direction is controlled by output enable (OEAB and OEBA), latch enable (LEAB and LEBA), and clock (CPAB and CPBA) input. For A-to-B data flow, the 74ALVCH16260 operates in the transparent mode when LEAB is High. When LEAB is Low, the A data is latched if CPAB is held at a High or Low logic level. If LEAB is Low, the A-bus data is stored in the latch/flip-flop on the Low-to-High transition of CPAB. When OEAB is Low, the output are active. When OEAB is High, the output are in the high-impedance state. The clock can be controlled with the clock-enable inputs (CEBA/CEAB).
Parametrics
74ALVCH16260 absolute maximum ratings: (1)VCC DC supply voltage: –0.5 V to +4.6 V; (2)IIK DC input diode current VI<0: –50 mA; (3)VI DC input voltage For control pins1: –0.5 V to +4.6 V; (4)IOK DC output diode current VO>VCC or VO<0 :50 mA; (5)VO DC output voltage Note 1: –0.5 V to VCC +0.5 V; (6)IO DC output source or sink current VO = 0 to VCC :50 mA; (7)IGND, ICC DC VCC or GND current :100 mA; (8)Tstg Storage temperature range: –65°C to +150 °C; (9)PTOT Power dissipation per package –plastic thin-medium-shrink (TSSOP)For temperature range: –40°C to +125 °C above +55°C derate linearly with 8 mW/K: 600 mW.
Features
74ALVCH16260 features: (1)Complies with JEDEC standard no. 8-1A; (2)CMOS low power consumption; (3)Direct interface with TTL levels; (4)MULTIBYTETM flow-through standard pin-out architecture; (5)Low inductance multiple VCC and ground pins for minimum noise and ground bounce; (6)Current drive ± 24 mA at 3.0 V; (7)All inputs have bus hold circuitry; (8)Output drive capability 50W transmission lines @ 85°C.
Diagrams

| Image | Part No | Mfg | Description | ![]() |
Pricing (USD) |
Quantity | ||||||||||||
|---|---|---|---|---|---|---|---|---|---|---|---|---|---|---|---|---|---|---|
![]() |
![]() 74ALVCH162601 |
![]() Other |
![]() |
![]() Data Sheet |
![]() Negotiable |
|
||||||||||||
![]() |
![]() 74ALVCH162601DG |
![]() NXP Semiconductors |
![]() Bus Transceivers 18-BIT UNIV BUS XCVR 3-STATE |
![]() Data Sheet |
![]() Negotiable |
|
||||||||||||
![]() |
![]() 74ALVCH162601DGG,1 |
![]() NXP Semiconductors |
![]() Bus Transceivers 18-BIT UNIV BUS |
![]() Data Sheet |
![]()
|
|
||||||||||||
![]() |
![]() 74ALVCH162601DGG:1 |
![]() NXP Semiconductors |
![]() Bus Transceivers 18-BIT UNIV. BUS |
![]() Data Sheet |
![]()
|
|
||||||||||||
![]() |
![]() 74ALVCH162601DG-T |
![]() NXP Semiconductors |
![]() Bus Transceivers 18-BIT UNIV. BUS XCVR 3-S |
![]() Data Sheet |
![]() Negotiable |
|
||||||||||||
![]() |
![]() 74ALVCH162601DLG4 |
![]() Texas Instruments |
![]() Universal Bus Functions 18-Bit Univ Bus Trncvr W/3-St Otpt |
![]() Data Sheet |
![]()
|
|
||||||||||||
![]() |
![]() 74ALVCH16260DLRG4 |
![]() Texas Instruments |
![]() Latches 12-24B Multiplexed D-Type |
![]() Data Sheet |
![]()
|
|
||||||||||||
![]() |
![]() 74ALVCH16260DLG4 |
![]() Texas Instruments |
![]() Latches 12-24B Multiplexed D-Type |
![]() Data Sheet |
![]()
|
|
||||||||||||
(Hong Kong)












