Product Summary
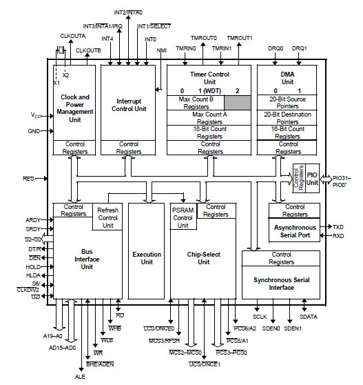
The AM186EM-50VC is a microcontroller. The AM186EM-50VC integrates the functions of the CPU, nonmultiplexed address bus, timers, chip selects, interrupt controller, DMA controller, PSRAM controller, asynchronous serial port, synchronous serial interface, and programmable I/O (PIO) pins on one chip. Compared to the AM186EM-50VC microcontrollers, the Am186EM/EMLV and Am188EM/EMLV microcontrollers enable designers to reduce the size, power consumption, and cost of embedded systems, while increasing functionality and performance. The AM186EM-50VC has been designed to meet the most common requirements of embedded products developed for the office automation, mass storage, communications, and general embedded markets. Specific applications include disk drives, hand-held terminals and desktop terminals, fax machines, printers, photocopiers, feature phones, cellular phones, PBXs, multiplexers, modems, and industrial controls.
Parametrics
AM186EM-50VC absolute maximum ratings: (1)Storage temperature: -65°C to +125°C; (2)Voltage on any pin with respect to ground: -0.5 V to Vcc +0.5 V; (3)Commercial (TC): 0°C to +100°C; (4)Industrial* (TA): -40°C to +85°C; (5)VCC up to 33 MHz: 5 V ± 10%; (6)VCC greater than 33 MHz: 5 V ± 5%.
Features
AM186EM-50VC features: (1)Two independent DMA channels; (2)Programmable interrupt controller with six external interrupts; (3)Three programmable 16-bit timers—timer 1 can be used as a watchdog interrupt timer; (4)Programmable memory and peripheral chip-select logic; (5)Programmable wait state generator; (6)Power-save clock divider; (7)n Software-compatible with the 80C186/80C188 and 80L186 /80L188 microcontrollers; (8)n Widely available native development tools, applications, and system software; (9)n Available in the following packages; (10)Asynchronous serial port allows full-duplex, 7-bit or 8-bit data transfers; (11)Synchronous serial interface allows half-duplex, bidirectional data transfer to and from ASICs; (12)Pseudo static RAM (PSRAM)controller includes auto refresh capability; (13)Reset configuration register.
Diagrams

(Hong Kong)






