Product Summary
The AM29F200AT-70EC is a 2 Mbit, 5.0 Volt-only Flash memory organized as 262,144 bytes or 131,072 words. The 8 bits of data appear on DQ0-DQ7; the 16 bits on DQ0-DQ15. The AM29F200AT-70EC is offered in 44-pin SO and 48-pin TSOP packages. This device is designed to be programmed in-system with the standard system 5.0 volt VCC supply. A 12.0 volt VPP is not required for program or erase operations. The AM29F200AT-70EC can also be reprogrammed in standard EPROM programmers. The device is entirely command set compatible with the JEDEC single-power-supply Flash standard. Commands are written to the command register using standard microprocessor write timings. Register contents serve as input to an internal state-machine that controls the erase and programming circuitry. Write cycles also internally latch addresses and data needed for the programming and erase operations. Reading data out of the device is similar to reading from other Flash or EPROM devices.
Parametrics
AM29F200AT-70EC absolute maximum ratings: (1)Storage Temperature Plastic Packages:–65℃ to +150℃; (2)Ambient Temperature with Power Applied:–55℃ to +125℃; (3)Voltage with Respect to Ground: VCC:–2.0 V to +7.0 V, A9, OE#, and RESET#:–2.0 V to +12.5 V, All other pins:–0.5 V to +7.0 V; (4)Output Short Circuit Current:200 mA.
Features
AM29F200AT-70EC features: (1)5.0 V ± 10% for read and write operations:Minimizes system level power requirements; (2)High performance:Access times as fast as 55 ns; (3)Low power consumption: 20 mA typical active read current (byte mode), 28 mA typical active read current for (word mode), 30 mA typical program/erase current, 1 μA typical standby current; (4)One 16 Kbyte, two 8 Kbyte, one 32 Kbyte, and three 64 Kbyte sectors (byte mode); (5)One 8 Kword, two 4 Kword, one 16 Kword, and three 32 Kword sectors (word mode); (6)Supports full chip erase; (7)Top or bottom boot block configurations available; (8)Minimum 100,000 write/erase cycles guaranteed; (9)Package options: 44-pin SO, 48-pin TSOP; (10)Compatible with JEDEC standards: Pinout and software compatible with single-power-supply flash, Superior inadvertent write protection; (11)Data# Polling and Toggle Bit: Detects program or erase cycle completion; (12)Ready/Busy# output (RY/BY#): Hardware method for detection of program or erase cycle completion; (13)Erase Suspend/Erase Resume: Supports reading data from a sector not being erased; (14)Hardware RESET# pin: Resets internal state machine to the reading array data.
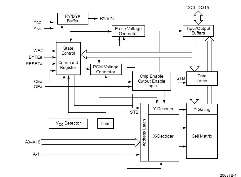
Diagrams

(Hong Kong)






