Product Summary
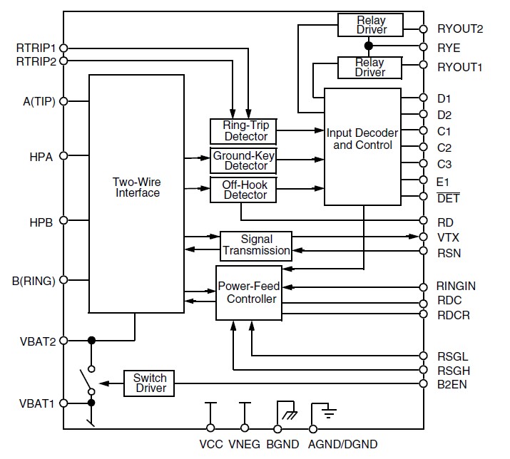
The AM79R79A-1JC is a ringing subscriber line interface circuit. The AM79R79A-1JC subscriber line interface circuit (SLIC) products provide the telephone interface functions required throughout the worldwide market. The AM79R79A-1JC address all major telephony markets including central office (CO), private branch exchange (PBX), digital loop carrier (DLC), fiber-in-the-loop (FITL), radio-in-the-loop (RITL), hybrid fiber coax (HFC), and video telephony applications.
Parametrics
AM79R79A-1JC absolute maximum ratings: (1)VCC with respect to AGND/DGND: 0.4 V to +7 V; (2)VNEG with respect to AGND/DGND: 0.4 V to VBAT2; (3)VBAT2: VBAT1 to GND; (4)VBAT1 with respect to AGND/DGND: Continuous: +0.4 V to –80 V. 10 ms: +0.4 V to –85 V; (5)BGND with respect to AGND/DGND: +3 V to –3 V; (6)A(TIP) or B(RING) to BGND: Continuous: VBAT1 –5 V to +1 V. 10 ms (f = 0.1 Hz): VBAT1 –10 V to +5 V. 1 μs (f = 0.1 Hz): VBAT1 –15 V to +8 V; (7)250 ns (f = 0.1 Hz): VBAT1 –20 V to +12 V; (8)Current from A(TIP) or B(RING): ±150 mA; (9)RYOUT1, RYOUT2 current: 75 mA; (10)RYOUT1, RYOUT2 voltage: RYE to +7 V; (11)RYOUT1, RYOUT2 transient: RYE to +10 V; (12)RYE voltage: BGND to VBAT1.
Features
AM79R79A-1JC features: (1)Ideal for short-loop applications; (2)Ideal for ISDN terminal adaptor and fixed radio access applications; (3)On-chip ringing with on-chip ring-trip detector; (4)Low standby state power; (5)On-chip battery switching and feed selection; (6)On-hook transmission; (7)Two-wire impedance set by single external impedance.
Diagrams

(Hong Kong)






