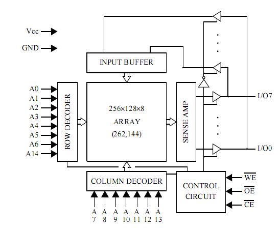
Product Summary
The as7c256-20tc is a high performance CMOS 262,144-bit Static Random Access Memory (SRAM) organized as 32,768 words×8 bits. The as7c256-20tc is designed for memory applications where fast data access, low power, and simple interfacing are desired. The standard as7c256-20tc is guaranteed not to exceed 11mW power consumption in standby mode; the L version is guaranteed not to exceed 2.75 mW, and typically requires only 500μW. All chip inputs and outputs of the as7c256-20tc are TTL-compatible, and operation is from a single 5V supply. The as7c256-20tc is packaged in all high volume industry standard packages.
Parametrics
as7c256-20tc absolute maximum ratings: (1) Voltage on Any Pin Relative to GND Vt: -0.5 to +7.0V; (2) Power Dissipation PD: 1W; (3) Storage Temperature (Plastic) Tstg: -55 to +150°C; (4) Temperature Under Bias Tbias: -10 to +85°C; (5) DC Output Current Iout: 20mA.
Features
as7c256-20tc features: (1) Organization: 32,768 words×8 bits; (2) High speed: C10/12/15/20/25/35 ns address access time, 3/3/4/5/6/8 ns output enable access time; (3) Low power consumption Active: :660 mW max (10 ns cycle) , Standby: :11 mW max, CMOS I/O, 2.75 mW max, CMOS I/O, L version, CVery low DC component in active power; (4) 2.0V data retention (L version) ; (5) Equal access and cycle times; (6) Easy memory expansion with CE and OE inputs; (7) TTL-compatible, three-state I/O; (8) 28-pin JEDEC standard packages; (9) ESD protection > 2000volts; (10) Latch-up current > 200mA.
Diagrams

(Hong Kong)






