Product Summary
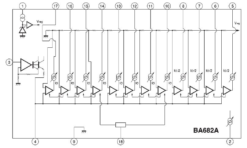
The BA682A is a monolithic IC for LED level meter applications. The display level range is 13mVrms to 327mVrms (Typ.), the 0dB level is 130mVrms (Typ.) and the VU display is -20dB to +8dB. The constant current outputs can be set using external components allowing use of different color LEDs in various combinations. The applications of the BA682A include Level meters for all types of audio equipment applications.
Parametrics
BA682A absolute maximum ratings: (1)Power supply voltage: 15V; (2)Power dissipation: 1050mW; (3)Operating temperature: -25 to +75℃; (4)Storage temperature: -55 to +125℃.
Features
BA682A features: (1)12-point VU display meter driver for bar / dot displays; (2)Fixed-current outputs that can directly drive LEDs; (3)Output current can be set using external resistors; (4)allowing different types of LEDs to be used in combination.; (5)Built-in half-wave rectifier amplifier; (6)LED on and off timing can be set using an external capacitor and resistor; (7)With bar-type display, by connecting four LEDs in series, power dissipation is reduced.
Diagrams

| Image | Part No | Mfg | Description | ![]() |
Pricing (USD) |
Quantity | ||||
|---|---|---|---|---|---|---|---|---|---|---|
![]() |
![]() BA682A |
![]() Other |
![]() |
![]() Data Sheet |
![]() Negotiable |
|
||||
| Image | Part No | Mfg | Description | ![]() |
Pricing (USD) |
Quantity | ||||
![]() |
![]() BA6800AF |
![]() Other |
![]() |
![]() Data Sheet |
![]() Negotiable |
|
||||
![]() |
![]() BA6800AS |
![]() Other |
![]() |
![]() Data Sheet |
![]() Negotiable |
|
||||
![]() |
![]() BA6803S |
![]() Other |
![]() |
![]() Data Sheet |
![]() Negotiable |
|
||||
![]() |
![]() BA6809F |
![]() Other |
![]() |
![]() Data Sheet |
![]() Negotiable |
|
||||
![]() |
![]() BA6810F |
![]() Other |
![]() |
![]() Data Sheet |
![]() Negotiable |
|
||||
![]() |
![]() BA6810S |
![]() Other |
![]() |
![]() Data Sheet |
![]() Negotiable |
|
||||
(Hong Kong)









