Product Summary
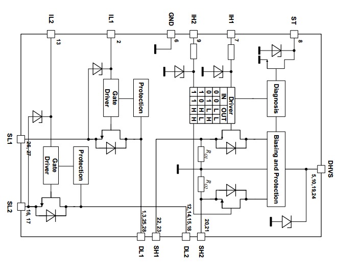
The BTS7740G is a Trilith IC containing three dies in one package: One double high-side switch and two low-side switches. The drains of these three vertical DMOS chips are mounted on separated leadframes. The sources are connected to individual pins, so the BTS7740G can be used in H-bridge- as well as in any other configuration.
Parametrics
BTS7740G absolute maximum ratings: (1)Supply voltage: -0.3 to 42 V; (2)Supply voltage for full short circuit protection: 28 V; (3)HS-drain current: -7A, TA = 25°C; tP < 100 ms; (4)HS-input current: -5 to 5 mA, Pin IH1 and IH2; (5)HS-input voltage: -10 to 16 V.
Features
BTS7740G features: (1)Small outline, enhanced power P-DSO-package; (2)Full short-circuit-protection; (3)Operates up to 40 V; (4)Status flag diagnosis; (5)Overtemperature shut down with hysteresis; (6)Internal clamp diodes; (7)Isolated sources for external current sensing; (8)Under-voltage detection with hysteresis; (9)PWM frequencies up to 1 kHz.
Diagrams
| Image | Part No | Mfg | Description | ![]() |
Pricing (USD) |
Quantity | ||||||||||||
|---|---|---|---|---|---|---|---|---|---|---|---|---|---|---|---|---|---|---|
![]() |
![]() BTS7740G |
![]() Infineon Technologies |
![]() Power Switch ICs - POE / LAN QUAD D-MOS SW DRIVER TRILITH |
![]() Data Sheet |
![]()
|
|
||||||||||||
![]() |
![]() BTS7740GT |
![]() |
![]() IC SW TRILITHIC D210MOHM PDSO28 |
![]() Data Sheet |
![]() Negotiable |
|
||||||||||||
(Hong Kong)










