Product Summary
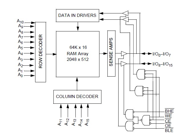
The CY62126BVLL-55ZI is a high-performance CMOS static RAM organized as 64K words by 16 bits. This device features advanced circuit design to provide ultra-low active current. This is ideal for providing More Battery Life (MoBL) in portable applications such as cellular telephones. The CY62126BVLL-55ZI also has an automatic power-down feature that significantly reduces power consumption by 90% when addresses are not toggling. The device can be put into standby mode reducing power consumption by more than 99% when deselected (CE HIGH).
Parametrics
CY62126BVLL-55ZI absolute maximum ratings:(1)Storage Temperature: –65°C to +150°C; (2)Ambient Temperature with Power Applied: –55°C to +125°C; (3)Supply Voltage to Ground Potential: -0.3V to 3.9V; (4)DC Voltage Applied to Outputs in High-Z State: -0.3V to VCC + 0.3V; (5)DC Input Voltage: -0.3V to VCC + 0.3V; (6)Output Current into Outputs (LOW): 20 mA; (7)Static Discharge Voltage (per MIL-STD-883, Method 3015): > 2001V; (8)Latch-up Current: > 200 mA.
Features
CY62126BVLL-55ZI features: (1)Very high speed: 55 ns; (2)Wide voltage range: 2.2V to 3.6V; (3)Pin compatible with CY62126BV; (4)Ultra-low active power: Typical active current: 0.85 mA @ f = 1 MHz; Typical active current: 5 mA @ f = fMAX; (5)Ultra-low standby power; (6)Easy memory expansion with CE and OE features; (7)Automatic power-down when deselected; (8)Packages offered in a 48-ball FBGA and a 44-lead TSOP Type II; (9)Also available in Lead-free packages.
Diagrams

(Hong Kong)






