Product Summary
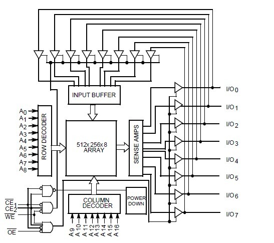
The CY62128BLL-55SXC is a high performance CMOS static RAM organized as 128K words by 8 bits. This device features advanced circuit design to provide ultra low active current. It is ideal for providing More Battery Life (MoBL) in portable applications such as cellular telephones. The CY62128BLL-55SXC also has an automatic power down feature that reduces power consumption when deselected. The CY62128BLL-55SXC is available in a standard 450-mil-wide SOIC, 32-pin TSOP type I and STSOP packages.
Parametrics
CY62128BLL-55SXC absolute maximum ratings: (1)Storage Temperature: –65℃ to +150℃; (2)Ambient Temperature with; (3)Power Applied: –55℃ to +125℃; (4)Supply Voltage to Ground; (5)Potential: –0.5V to 6.0V (VCC(max) + 0.5V); (6)DC Voltage Applied to Outputs in High-Z State[5, 6]: –0.5V to 6.0V (VCC(max) + 0.5V); (7)DC Input Voltage[5, 6]: –0.5V to 6.0V (VCC(max) + 0.5V); (8)Output Current into Outputs (LOW): 20 mA; (9)Static Discharge Voltage: > 2001V; (10)Latch up Current: > 200 mA.
Features
CY62128BLL-55SXC features: (1)Temperature Ranges-Commercial: 0℃ to 70℃;Industrial: -40℃ to 85℃;Automotive: -40℃ to 125℃; (2)4.5V to 5.5V operation; (3)CMOS for optimum speed/power; (4)Low active power (70 ns, LL version, Commercial, Industrial)-82.5 mW (max.) (15 mA); (5)Low standby power(70 ns, LL version, Commercial, Industrial)-110 μW (max.) (15 μA); (6)Automatic power-down when deselected; (7)TTL-compatible inputs and outputs; (8)Easy memory expansion with CE1, CE2, and OE options.
Diagrams

(Hong Kong)






