Product Summary
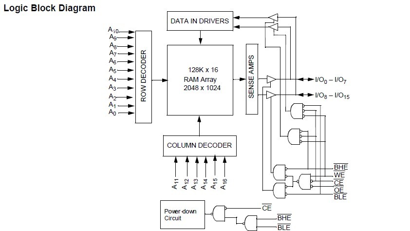
The CY62137CVSL-70BAI is a high-performance CMOS static RAM organized as 128K words by 16 bits. The CY62137CVSL-70BAI device features advanced circuit design to provide ultra-low active current. This is ideal for providing More Battery Life (MoBL) in portable applications such as cellular telephones. The devices also has an automatic power-down feature that significantly reduces power consumption by 80% when addresses are not toggling. The device can also be put into standby mode reducing power consumption by more than 99% when deselected (CE HIGH or both BLE and BHE are HIGH). The input/output pins (I/O0 through I/O15) are placed in a high-impedance state when: deselected (CE HIGH), outputs are disabled (OE HIGH), both Byte High Enable and Byte Low Enable are disabled (BHE, BLE HIGH), or during a write operation (CE LOW, and WE LOW).
Parametrics
CY62137CVSL-70BAI absolute maximum ratings: (1)storage temperature: –65°c to +150°c; (2)ambient temperature with power applied: –55°c to +125°c; (3)supply voltage to ground potential –0.5v to vccmax + 0.5v; (4)dc voltage applied to outputs in high-z state[4]: –0.5v to vcc + 0.3v; (5)dc input voltage[4]: −0.5v to vcc + 0.3v; (6)output current into outputs (low): 20 ma; (7)static discharge voltage: > 2001v (per mil-std-883, method 3015); (8)latch-up current: > 200 ma.
Features
CY62137CVSL-70BAI features: (1)Very high speed: 55 ns and 70 ns; (2)Voltage range:; (3)CY62137CV25: 2.2V–2.7V;; (4)CY62137CV30: 2.7V–3.3V;; (5)CY62137CV33: 3.0V–3.6V;; (6)CY62137CV: 2.7V–3.6V.; (7)Pin-compatible with the CY62137V; (8)Ultra-low active power: Typical active current: 1.5 mA @ f = 1 MHz; Typical active current: 5.5 mA @ f = fmax (70-ns speed).; (9)Low and ultra-low standby power; (10)Easy memory expansion with CE and OE features; (11)Automatic power-down when deselected; (12)CMOS for optimum speed/power; (13)Packages offered in a 48-ball FBGA.
Diagrams

 (Hong Kong)
 (Hong Kong) 
                         
                        
 
                                    




