Product Summary
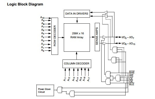
The CY62147DV18LL-55BVXI is a high-performance CMOS static RAM organized as 256K words by 16 bits. This device features advanced circuit design to provide ultra-low active current. This is ideal for providing More Battery Life (MoBL) in portable applications such as cellular telephones. The device also has an automatic power-down feature that significantly reduces power consumption. The device can also be put into standby mode reducing power consumption by more than 99% when deselected (CE HIGH or both BLE and BHE are HIGH). The input/output pins (I/O0 through I/O15 ) are placed in a high-impedance state when: deselected (CE HIGH), outputs are disabled (OE HIGH), both Byte High Enable and Byte Low Enable are disabled (BHE, BLE HIGH), or during a write operation (CE LOW and WE LOW).
Parametrics
CY62147DV18LL-55BVXI absolute maximum ratings: (1)Storage Temperature: –65°C to + 150°C; (2)Ambient Temperature with Power Applied: –55°C to + 125°C; (3)Supply Voltage to Ground Potential: –0.2V to + VCC(MAX)+ 0.2V; (4)DC Voltage Applied to Outputs: in High Z State [5,6]: –0.2V to VCC(MAX)+ 0.2V; DC Input Voltage [5,6]: –0.2V to VCC (MAX)+ 0.2V; (5)Output Current into Outputs (LOW): 20 mA; (6)Static Discharge Voltage: > 2001V (per MIL-STD-883, Method 3015); (7)Latch-up Current: > 200 mA.
Features
CY62147DV18LL-55BVXI features: (1)Very high speed: 55 ns and 70 ns; (2)Wide voltage range: 1.65V – 2.25V; (3)Pin-compatible with CY62147CV18; (4)Ultra-low active power: Typical active current: 1 mA @ f = 1 MHz; Typical active current: 6 mA @ f = fmax; (5)Ultra low standby power; (6)Easy memory expansion with CE, and OE features; (7)Automatic power-down when deselected; (8)CMOS for optimum speed/power; (9)Packages offered 48-ball BGA.
Diagrams

(Hong Kong)






