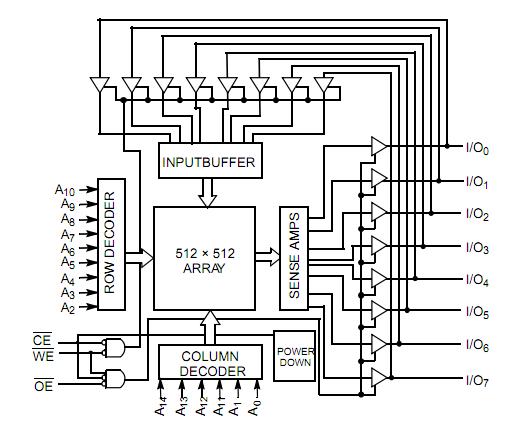
Product Summary
The CY62256VLL-70ZI is a high-performance CMOS static RAM. The CY62256VLL-70ZI is organized as 32 K words by 8 bits. Easy memory expansion of the CY62256VLL-70ZI is provided by an active LOW chip enable (CE) and active LOW output enable (OE) and three-state drivers. The CY62256VLL-70ZI has an automatic power-down feature, reducing the power consumption by over 99% when deselected.
Parametrics
CY62256VLL-70ZI absolute maximum ratings: (1)Storage Temperature: –65 to +150 ℃; (2)Ambient Temperature with Power Applied: 55 to +125 ℃; (3)Supply Voltage to Ground Potential: –0.5 V to +4.6 V; (4)DC Voltage Applied to Outputs in High Z State: –0.5 V to VCC + 0.5 V; (5)DC Input Voltage: –0.5 V to VCC + 0.5 V; (6)Output Current into Outputs (LOW): 20 mA; (7)Static Discharge Voltage: >2001 V; (8)Latch-Up Current: >200 mA.
Features
CY62256VLL-70ZI features: (1)Speed: 70 ns and 100 ns; (2)Temperature ranges: 0 to 70 ℃; (3)Voltage range: 2.7 V to 3.6 V operation; (4)Low active power and standby power; (5)Easy memory expansion with CE and OE features; (6)TTL-compatible inputs and outputs; (7)Automatic power-down when deselected; (8)CMOS for optimum speed/power; (9)Packages available in a standard 450-mil-wide 28-lead narrow SOIC.
Diagrams

(Hong Kong)






