Product Summary
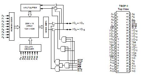
The CY7C1011CV33-25ZC is a high-performance CMOS static RAM. The CY7C1011CV33-25ZC is organized as 131,072 words by 16 bits. Writing to the CY7C1011CV33-25ZC is accomplished by taking Chip Enable One (CE1) and Write Enable (WE) inputs LOW and Chip Enable Two (CE2) input HIGH. Data on the eight I/O pins (I/O0 through I/O7) is then written into the location specified on the address pins.
Parametrics
CY7C1011CV33-25ZC absolute maximum ratings: (1)Storage Temperature: -65 to +150 ℃; (2)Ambient Temperature with Power Applied: –55 to +125 ℃; (3)Supply Voltage on VCC to relative GND: –0.5 V to +4.6 V; (4)DC Voltage applied to outputs in high Z state: –0.5 V to VCC+0.5 V; (5)DC Input Voltage: –0.5 V to VCC+0.5 V; (6)Current into Outputs (LOW): 20 mA.
Features
CY7C1011CV33-25ZC features: (1)Pin equivalent to CY7C1011CV33-25ZC; (2)High speed: 10 ns; (3)Low active power: 360 mW; (4)Data retention at 2.0; (5)Independent control of upper and lower bits; (6)Easy memory expansion with CE and OE options; (7)Available in 44-pin TOSP II, 44-pin TOFP, and 48-ball VFBGA.
Diagrams

(Hong Kong)






