Product Summary
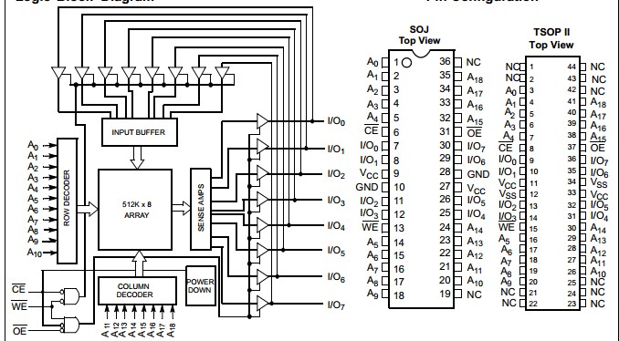
The CY7C1049CV33-10ZXI is a high-performance CMOS Static RAM. The CY7C1049CV33-10ZXI is organized as 524,288 words by 8 bits. Easy memory expansion of the CY7C1049CV33-10ZXI is provided by an active LOW Chip Enable (CE), an active LOW Output Enable (OE), and three-state drivers. Writing to the CY7C1049CV33-10ZXI is accomplished by taking Chip Enable (CE) and Write Enable (WE) inputs LOW. Data on the eight I/O pins (I/O0 through I/O7) is then written into the location specified on the address pins.
Parametrics
CY7C1049CV33-10ZXI absolute maximum ratings: (1)Storage Temperature: –65 to +150 ℃; (2)Ambient Temperature with Power Applied: –55 to +125 ℃; (3)Supply Voltage on VCC to Relative GND[2]: –0.5 V to +4.6 V; (4)DC Voltage Applied to Outputs[2] in High Z State: –0.5 V to VCC + 0.5 V; (5)DC Input Voltage[2]: –0.5 V to VCC + 0.5 V; (6)Current into Outputs (LOW): 20 mA.
Features
CY7C1049CV33-10ZXI features: (1)Temperature Ranges: 0 to 70 ℃; (2)High speed: 10 ns; (3)Low active power: 324 mW (max.); (4)2.0V data retention; (5)Automatic power-down when deselected; (6)TTL-compatible inputs and outputs; (7)Easy memory expansion with CE and OE features.
Diagrams

(Hong Kong)






