Product Summary
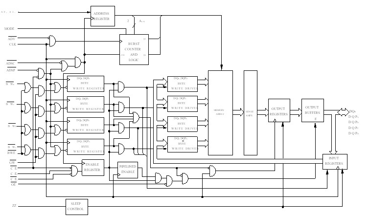
The CY7C1380C-133AC is a Pipelined SRAM. The CY7C1380C-133AC integrates 524,288 × 36 and 1,048,576 × 18 SRAM cells with advanced synchronous peripheral circuitry and a two-bit counter for internal burst operation. All synchronous of the CY7C1380C-133AC inputs are gated by registers controlled by a positive-edge-triggered Clock Input (CLK). The synchronous of the CY7C1380C-133AC inputs include all addresses, all data inputs, address-pipelining Chip Enable (CE1), depth-expansion Chip Enables (CE2 and CE3 [2]), Burst Control inputs (ADSC, ADSP, and ADV), Write Enables (BWX, and BWE), and Global Write (GW). Asynchronous of the CY7C1380C-133AC inputs include the Output Enable (OE) and the ZZ pin.
Parametrics
CY7C1380C-133AC absolute maximum ratings: (1)Storage Temperature: –65 to +150 ℃; (2)Ambient Temperature with Power Applied: –55 to +125 ℃; (3)Supply Voltage on VCC to Relative GND[2]: –0.5 V to +4.6 V; (4)DC Voltage Applied to Outputs[2] in High Z State: –0.5 V to VDDQ+0.5 V; (5)DC Input Voltage[2]: –0.5 V to VDD+0.5 V; (6)Current into Outputs (LOW): 20 mA; (7)Static Discharge Voltage: >2001V; (8)Latch-Up Current: >200 mA.
Features
CY7C1380C-133AC features: (1)Supports bus operation up to 250 MHz; (2)Available speed grades are 250, 225, 200,166 and 133MHz; (3)Registered inputs and outputs for pipelined operation; (4)3.3V core power supply; (5)2.5V / 3.3V I/O operation; (6)Fast clock-to-output times: 2.6 ns; (7)Provide high-performance 3-1-1-1 access rate; (8)User-selectable burst counter supporting Intel Pentium interleaved or linear burst sequences; (9)Separate processor and controller address strobes; (10)Synchronous self-timed writes; (11)Asynchronous output enable; (12)Single Cycle Chip Deselect; (13)Offered in JEDEC-standard 100-pin TQFP, 119-ball BGA and 165-Ball fBGA packages; (14)IEEE 1149.1 JTAG-Compatible Boundary Scan; (15)“ZZ” Sleep Mode Option.
Diagrams

| Image | Part No | Mfg | Description | ![]() |
Pricing (USD) |
Quantity | ||||||||||||
|---|---|---|---|---|---|---|---|---|---|---|---|---|---|---|---|---|---|---|
![]() |
![]() CY7C1380C-133AC |
![]() |
![]() IC SRAM 18MBIT 133MHZ 100LQFP |
![]() Data Sheet |
![]() Negotiable |
|
||||||||||||
| Image | Part No | Mfg | Description | ![]() |
Pricing (USD) |
Quantity | ||||||||||||
![]() |
![]() CY7C006 |
![]() Other |
![]() |
![]() Data Sheet |
![]() Negotiable |
|
||||||||||||
![]() |
![]() CY7C006A |
![]() Other |
![]() |
![]() Data Sheet |
![]() Negotiable |
|
||||||||||||
![]() |
![]() CY7C006A-15AXC |
![]() Cypress Semiconductor |
![]() SRAM 5V 16Kx8 COM Dual Port SRAM |
![]() Data Sheet |
![]() Negotiable |
|
||||||||||||
![]() |
![]() CY7C006A-15AXCT |
![]() Cypress Semiconductor |
![]() SRAM 5V 16Kx8 COM Dual Port SRAM |
![]() Data Sheet |
![]() Negotiable |
|
||||||||||||
![]() |
![]() CY7C006A-20AC |
![]() |
![]() IC SRAM 16KX8 DUAL 64LQFP |
![]() Data Sheet |
![]() Negotiable |
|
||||||||||||
![]() |
![]() CY7C006A-20AXC |
![]() Cypress Semiconductor |
![]() SRAM 5V 16Kx8 COM Dual Port SRAM |
![]() Data Sheet |
![]()
|
|
||||||||||||
(Hong Kong)











