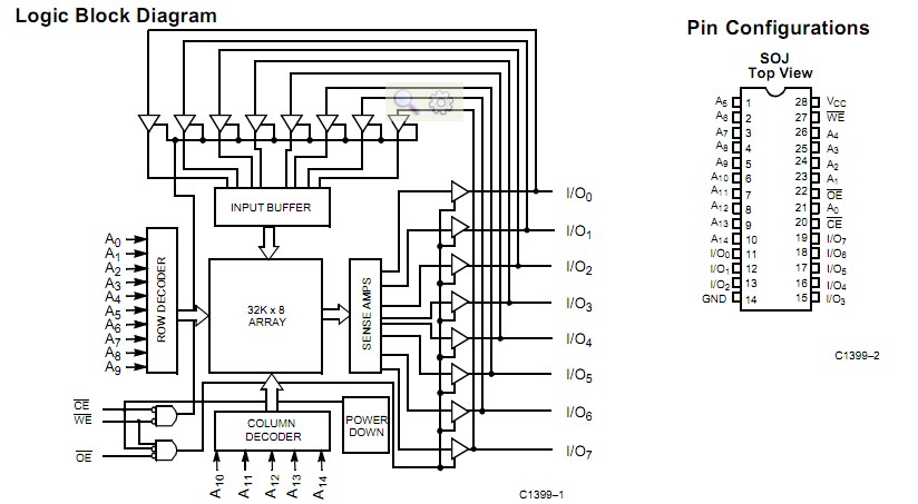
Product Summary
The CY7C1399-10ZC is a high-performance CMOS Static RAM. The CY7C1399-10ZC is organized as 32,768 words by 8 bits. Easy memory expansion of the CY7C1399-10ZC is provided by an active LOW Chip Enable (CE) and three-state drivers. The CY7C1399-10ZC has an automatic power-down feature, reducing the power consumption by 95% when deselected. Writing to the CY7C1399-10ZC is accomplished by taking Chip Enable (CE) and Write Enable (WE) inputs LOW. Data on the eight I/O pins (I/O0 through I/O7) is then written into the location specified on the address pins.
Parametrics
CY7C1399-10ZC absolute maximum ratings: (1)Storage Temperature: –65 to +150 ℃; (2)Ambient Temperature with Power Applied: –55 to +125 ℃; (3)Supply Voltage on VCC to Relative GND[2]: –0.5 V to +4.6 V; (4)DC Voltage Applied to Outputs[2] in High Z State: –0.5 V to VDDQ+0.5 V; (5)DC Input Voltage[2]: –0.5 V to VDD+0.5 V; (6)Current into Outputs (LOW): 20 mA; (7)Static Discharge Voltage: >2001V; (8)Latch-Up Current: >200 mA.
Features
CY7C1399-10ZC features: (1)Single 3.3V power supply; (2)Ideal for low-voltage cache memory applications; (3)High speed: 12/15 ns; (4)Low active power: 255 mW (max.); (5)Low CMOS standby power (L): 180 μW (max.), f=fMAX; (6)2.0V data retention (L): 40 μW; (7)Low-power alpha immune 6T cell; (8)Plastic SOJ and TSOP packaging.
Diagrams

(Hong Kong)






