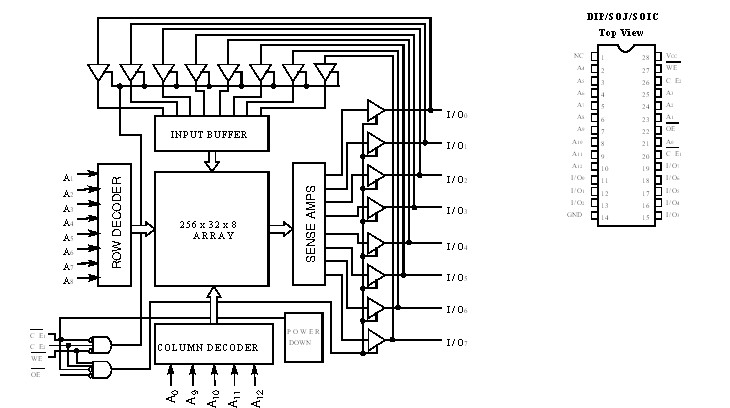
Product Summary
The CY7C185-15VC is a high-performance CMOS Static RAM. The CY7C185-15VC is organized as 8192 words by 8 bits. Easy memory expansion of the CY7C185-15VC is provided by an active LOW Chip Enable (CE), an active HIGH chip enable, an active LOW output enable and three-state drivers. The CY7C185-15VC has an automatic power-down feature, reducing the power consumption by 70% when deselected. The CY7C185-15VC is in a standard 300-mil-wide DIP, SOJ, or SOIC package.
Parametrics
CY7C185-15VC absolute maximum ratings: (1)Storage Temperature: –65 to +150 ℃; (2)Ambient Temperature with Power Applied: –55 to +125 ℃; (3)Supply Voltage on VCC to Relative GND[2]: –0.5 V to +7.0 V; (4)DC Voltage Applied to Outputs[2] in High Z State: –0.5 V to 7.0 V; (5)DC Input Voltage[2]: –0.5 V to 7.0 V; (6)Current into Outputs (LOW): 20 mA; (7)Static Discharge Voltage: >2001V; (8)Latch-Up Current: >200 mA.
Features
CY7C185-15VC features: (1)High speed: 15 ns; (2)Fast tdoe; (3)Low active power: 715 mW; (4)Low standby power: 220 mW; (5)CMOS for optimum speed/power; (5)TTL-compatible inputs and outputs; (6)Easy menory expansion with CE and OE options; (7)Automatic power-down when deselected.
Diagrams

| Image | Part No | Mfg | Description | ![]() |
Pricing (USD) |
Quantity | ||||||||||||
|---|---|---|---|---|---|---|---|---|---|---|---|---|---|---|---|---|---|---|
![]() |
![]() CY7C185-15VC |
![]() |
![]() IC SRAM 64KBIT 15NS 28SOJ |
![]() Data Sheet |
![]() Negotiable |
|
||||||||||||
| Image | Part No | Mfg | Description | ![]() |
Pricing (USD) |
Quantity | ||||||||||||
![]() |
![]() CY7C006 |
![]() Other |
![]() |
![]() Data Sheet |
![]() Negotiable |
|
||||||||||||
![]() |
![]() CY7C006A |
![]() Other |
![]() |
![]() Data Sheet |
![]() Negotiable |
|
||||||||||||
![]() |
![]() CY7C006A-15AXC |
![]() Cypress Semiconductor |
![]() SRAM 5V 16Kx8 COM Dual Port SRAM |
![]() Data Sheet |
![]() Negotiable |
|
||||||||||||
![]() |
![]() CY7C006A-15AXCT |
![]() Cypress Semiconductor |
![]() SRAM 5V 16Kx8 COM Dual Port SRAM |
![]() Data Sheet |
![]() Negotiable |
|
||||||||||||
![]() |
![]() CY7C006A-20AC |
![]() |
![]() IC SRAM 16KX8 DUAL 64LQFP |
![]() Data Sheet |
![]() Negotiable |
|
||||||||||||
![]() |
![]() CY7C006A-20AXC |
![]() Cypress Semiconductor |
![]() SRAM 5V 16Kx8 COM Dual Port SRAM |
![]() Data Sheet |
![]()
|
|
||||||||||||
(Hong Kong)












