Product Summary
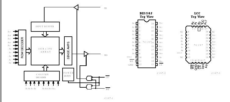
The CY7C197-45VC is a high-performance CMOS Static RAM. The CY7C197-45VC is organized as 256 words by 1 bit. Easy memory expansion of the CY7C197-45VC is provided by an active LOW Chip Enable (CE), an active HIGH chip enable, an active LOW output enable and three-state drivers. The CY7C197-45VC has an automatic power-down feature, reducing the power consumption by 75% when deselected. Writing to the CY7C197-45VC is accomplished by taking Chip Enable (CE) and Write Enable (WE) inputs LOW. Data on the eight I/O pins (I/O0 through I/O7) is then written into the location specified on the address pins.
Parametrics
CY7C197-45VC absolute maximum ratings: (1)Storage Temperature: –65 to +150 ℃; (2)Ambient Temperature with Power Applied: –55 to +125 ℃; (3)Supply Voltage on VCC to Relative GND[2]: –0.5 V to +7.0 V; (4)DC Voltage Applied to Outputs[2] in High Z State: –0.5 V to VCC+0.5 V; (5)DC Input Voltage[2]: –0.5 V to VCC+0.5 V; (6)Current into Outputs (LOW): 20 mA; (7)Static Discharge Voltage: >2001V; (8)Latch-Up Current: >200 mA.
Features
CY7C197-45VC features: (1)High speed: 12 ns; (2)Fast tdoe; (3)Low active power: 880 mW; (4)Low standby power: 220 mW; (5)CMOS for optimum speed/power; (5)TTL-compatible inputs and outputs; (6)Automatic power-down when deselected.
Diagrams

(Hong Kong)






