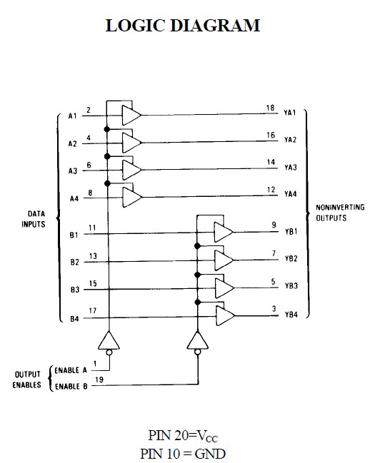
Product Summary
The HC244 is an Octal 3-state noninverting buffer/Line driver/line receiver which is identical in pinout to the LS/ALS244. The HC244 inputs are compatible with standard CMOS outputs; with pullup resistors, they are compatible with LS/ALSTTL outputs. This octal noninverting buffer/line driver/line receiver is designed to be used with 3-state memory address drivers, clock drivers, and other bus-oriented systems. The device has noninverting outputs and two active-low output enables.
Parametrics
HC244 absolute maximum ratings: (1)DC Supply Voltage (Referenced to GND): -0.5 to +7.0 V; (2)DC Input Voltage (Referenced to GND): -1.5 to VCC +1.5 V; (3)DC Output Voltage (Referenced to GND): -0.5 to VCC +0.5 V; (4)DC Input Current, per Pin: ±20 mA; (5)DC Output Current, per Pin: ±35 mA; (6)DC Supply Current, VCC and GND Pins: ±75 mA; (7)Power Dissipation in Still Air, Plastic: DIP+, 750 mW; SOIC Package+, 500 mW; (8)Storage Temperature: -65 to +150 ℃; (9)Lead Temperature, 1 mm from Case for 10 Seconds(Plastic DIP or SOIC Package): 260 ℃.
Features
HC244 features: (1)Outputs Directly Interface to CMOS, NMOS, and TTL; (2)Operating Voltage Range: 2.0 to 6.0 V; (3)Low Input Current: 1.0 μA; (4)High Noise Immunity Characteristic of CMOS Devices.
Diagrams

![]() |
![]() HC24-2.4-A |
![]() Power-One |
![]() Linear and Switching Power Supplies 24V/2.4A OUTPUT |
![]() Data Sheet |
![]() Negotiable |
|
||||||||||||
![]() |
![]() HC24-2.4-A+ |
![]() Condor / SL Power |
![]() Linear and Switching Power Supplies 24V 2.4A |
![]() Data Sheet |
![]() Negotiable |
|
||||||||||||
![]() |
![]() HC24-2.4-AG |
![]() Power-One |
![]() Linear and Switching Power Supplies 24V 2.4A |
![]() Data Sheet |
![]()
|
|
||||||||||||
![]() |
![]() HC24-2.4-A+G |
![]() Condor / SL Power |
![]() Linear and Switching Power Supplies 24V 2.4A |
![]() Data Sheet |
![]()
|
|
||||||||||||
(Hong Kong)










