Product Summary
The hit647-eq is a silicon PNP epitaxial.
Parametrics
hit647-eq absolute maximum ratings: (1) Collector to base voltage VCBO: -120V; (2) Collector to emitter voltage VCEO: -100V; (3) Emitter to base voltage VEBO: -6V; (4) Collector current Ic: -1.0A; (5) Collector peak current Ic (peak) : -2A; (6) Collector power dissipation Pc: 0.9W; (7) Junction temperature Tj: 150°C; (8) Storage temperature Tstg: -55 to +150°C.
Features
hit647-eq features: (1) Low frequency power amplifier; (2) Complementary pair with HIT667.
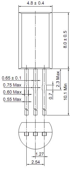
Diagrams

(Hong Kong)






