Product Summary
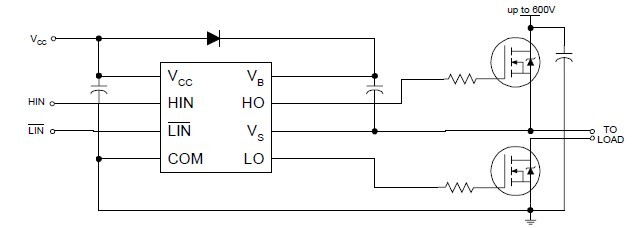
The IR2101 is a high voltage, high speed power MOSFET and IGBT driver with independent high and low side referenced output channels. Proprietary HVIC and latch immune CMOS technologies enable ruggedized monolithic construction. The logic input of the IR2101 is compatible with standard CMOS or LSTTL outputs. The output drivers feature a high pulse current buffer stage designed for minimum driver cross-conduction. The floating channel of the IR2101 can be used to drive an N-channel power MOSFET or IGBT in the high side configuration which operates up to 600 volts.
Parametrics
IR2101 absolute maximum ratings: (1)VB, High Side Floating Supply Voltage: -0.3 to 625V; (2)VS, High Side Floating Supply Offset Voltage: VB - 25 to VB + 0.3V; (3)VHO, High Side Floating Output Voltage: VS - 0.3 to VB + 0.3V; (4)VCC, Low Side and Logic Fixed Supply Voltage: -0.3 to 25V; (5)VLO, Low Side Output Voltage: -0.3 to VCC + 0.3V; (6)VIN, Logic Input Voltage (HIN & LIN): -0.3 to VCC + 0.3V; (7)dVs/dt, Allowable Offset Supply Voltage Transient: 50 V/ns max; (8)PD, Package Power Dissipation @ TA≤+25℃: 1.0W; (9)RθJA, Thermal Resistance, Junction to Ambient: 125℃/W; (10)TJ, Junction Temperature: 150℃; (11)TS, Storage Temperature: -55 to 150℃; (12)TL, Lead Temperature (Soldering, 10 seconds): 300℃.
Features
IR2101 features: (1)Floating channel designed for bootstrap operation Fully operational to +600V; (2)Tolerant to negative transient voltage dV/dt immune; (3)Gate drive supply range from 10 to 20V; (4)Undervoltage lockout; (5)5V Schmitt-triggered input logic; (6)Matched propagation delay for both channels; (7)Outputs in phase with inputs.
Diagrams
| Image | Part No | Mfg | Description | ![]() |
Pricing (USD) |
Quantity | ||||||||||||
|---|---|---|---|---|---|---|---|---|---|---|---|---|---|---|---|---|---|---|
![]() |
![]() IR2101 |
![]() |
![]() IC DRIVER HIGH/LOW SIDE 8-DIP |
![]() Data Sheet |
![]() Negotiable |
|
||||||||||||
![]() |
![]() IR2101(S) |
![]() Other |
![]() |
![]() Data Sheet |
![]() Negotiable |
|
||||||||||||
![]() |
![]() IR21014 |
![]() International Rectifier |
![]() IC DRIVER HIGH/LOW SIDE 14-DIP |
![]() Data Sheet |
![]() Negotiable |
|
||||||||||||
![]() |
![]() IR21014S |
![]() International Rectifier |
![]() IC DRIVER HIGH/LOW SIDE 14-SOIC |
![]() Data Sheet |
![]() Negotiable |
|
||||||||||||
![]() |
![]() IR2101PBF |
![]() International Rectifier |
![]() Power Driver ICs |
![]() Data Sheet |
![]()
|
|
||||||||||||
![]() |
![]() IR2101S |
![]() |
![]() IC DRIVER HIGH/LOW SIDE 8-SOIC |
![]() Data Sheet |
![]() Negotiable |
|
||||||||||||
![]() |
![]() IR2101SPBF |
![]() International Rectifier |
![]() Power Driver ICs |
![]() Data Sheet |
![]()
|
|
||||||||||||
![]() |
![]() IR2101STRPBF |
![]() International Rectifier |
![]() Power Driver ICs |
![]() Data Sheet |
![]()
|
|
||||||||||||
(Hong Kong)












