Product Summary
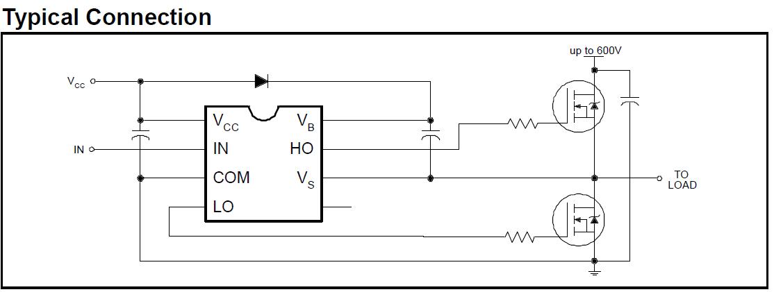
The IR2111PBF is a high voltage, high speed power MOSFET and IGBT driver with dependent high and low side referenced output channels designed for half-bridge applications. Proprietary HVIC and latch immune CMOS technologies enable ruggedized monolithic construction. Logic input is compatible with standard CMOS outputs. The IR2111PBF features a high pulse current buffer stage designed for minimum driver cross-conduction. Internal deadtime is provided to avoid shoot-through in the output half-bridge. The floating channel of the IR2111PBF can be used to drive an N-channel power MOSFET or IGBT in the high side configuration which operates up to 600 volts.
Parametrics
IR2111PBF absolute maximum ratings: (1)VB, High Side Floating Supply Voltage: -0.3 to 625V; (2)VS, High Side Floating Supply Offset Voltage: VB - 25 to VB + 0.3V; (3)VHO, High Side Floating Output Voltage: VS - 0.3 to VB + 0.3V; (4)VCC, Low Side and Logic Fixed Supply Voltage: -0.3 to 25V; (5)VLO, Low Side Output Voltage: -0.3 to VCC + 0.3V; (6)VIN, Logic Input Voltage: -0.3 to VCC + 0.3V; (7)dVs/dt, Allowable Offset Supply Voltage Transient : 50 V/ns max; (8)PD, Package Power Dissipation @ TA≤+25℃: 1.0W max; (9)RθJA, Thermal Resistance, Junction to Ambien: 125W/℃ max; (10)TJ, Junction Temperature: 150℃ max; (11)TS, Storage Temperature: -55 150℃; (12)TL, Lead Temperature (Soldering, 10 seconds): 300℃.
Features
IR2111PBF features: (1)Floating channel designed for bootstrap operation Fully operational to +600V; Tolerant to negative transient voltage dV/dt immune; (2)Gate drive supply range from 10 to 20V; (3)Undervoltage lockout for both channels; (4)CMOS Schmitt-triggered inputs with pull-down; (5)Matched propagation delay for both channels; (6)Internally set deadtime; (7)High side output in phase with input.
Diagrams

| Image | Part No | Mfg | Description | ![]() |
Pricing (USD) |
Quantity | ||||||||||||
|---|---|---|---|---|---|---|---|---|---|---|---|---|---|---|---|---|---|---|
![]() |
![]() IR2111PBF |
![]() International Rectifier |
![]() Power Driver ICs |
![]() Data Sheet |
![]()
|
|
||||||||||||
| Image | Part No | Mfg | Description | ![]() |
Pricing (USD) |
Quantity | ||||||||||||
![]() |
![]() IR2101 |
![]() |
![]() IC DRIVER HIGH/LOW SIDE 8-DIP |
![]() Data Sheet |
![]() Negotiable |
|
||||||||||||
![]() |
![]() IR2101(S) |
![]() Other |
![]() |
![]() Data Sheet |
![]() Negotiable |
|
||||||||||||
![]() |
![]() IR21014 |
![]() International Rectifier |
![]() IC DRIVER HIGH/LOW SIDE 14-DIP |
![]() Data Sheet |
![]() Negotiable |
|
||||||||||||
![]() |
![]() IR21014S |
![]() International Rectifier |
![]() IC DRIVER HIGH/LOW SIDE 14-SOIC |
![]() Data Sheet |
![]() Negotiable |
|
||||||||||||
![]() |
![]() IR2101PBF |
![]() International Rectifier |
![]() Power Driver ICs |
![]() Data Sheet |
![]()
|
|
||||||||||||
![]() |
![]() IR2101S |
![]() |
![]() IC DRIVER HIGH/LOW SIDE 8-SOIC |
![]() Data Sheet |
![]() Negotiable |
|
||||||||||||
(Hong Kong)












