Product Summary
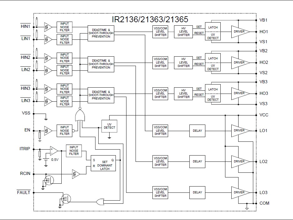
The IR21368J is a high votage, high speed power MOSFET and IGBT drivers with three independent high and low side referenced output channels for 3-phase applications. Proprietary HVIC technology enables ruggedized monolithic construction. Logic inputs are compatible with CMOS or LSTTL outputs, down to 3.3V logic. A current trip function which terminates all six outputs can be derived from an external current sense resistor. An enable function is available to terminate all six outputs simultaneously. An open-drain FAULT signal is provided to indicate that an overcurrent or undervoltage shutdown has occurred.
Parametrics
IR21368J absolute maximum ratings: (1)High side offset voltage: VB1,2,3 - 25 to VB1,2,3 + 0.3 V; (2)High side floating supply voltage: -0.3 to 625 V; (3)High side floating output voltage: VS1,2,3 - 0.3 to VB1,2,3 + 0.3 V; (4)Low side and logic fixed supply voltage: -0.3 to 25 V; (5)Logic ground: VCC - 25 to VCC + 0.3 V; (6)1,2,3 Low side output voltage: -0.3 to VCC + 0.3 V; (7)FAULT output voltage: VSS - 0.3 to VCC + 0.3 V; (8)Allowable offset voltage slew rate: 50 V/ns; (9)Package power dissipation TA ≤ +25°C (28 lead PDIP): 1.5 W; (10)Storage temperature: -55 to 150 ℃.
Features
IR21368J features: (1)Floating channel designed for bootstrap operation Fully operational to +600V; (2)Tolerant to negative transient voltage - dV/dt immune; (3)Gate drive supply range from 10 to 20V; (4)Undervoltage lockout for all channels; (5)Over-current shutdown turns off all six drivers; (6)Independent 3 half-bridge drivers; (7)Matched propagation delay for all channels; (8)Cross-conduction prevention logic.
Diagrams
| Image | Part No | Mfg | Description | ![]() |
Pricing (USD) |
Quantity | ||||||||
|---|---|---|---|---|---|---|---|---|---|---|---|---|---|---|
![]() |
![]() IR21368JPbF |
![]() International Rectifier |
![]() Power Driver ICs |
![]() Data Sheet |
![]()
|
|
||||||||
![]() |
![]() IR21368JTRPBF |
![]() International Rectifier |
![]() Power Driver ICs |
![]() Data Sheet |
![]()
|
|
||||||||
(Hong Kong)









