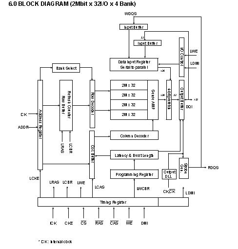
Product Summary
The K4J55323QG-BC14 is 268,435,456 bits of hyper synchronous data rate Dynamic RAM organized as 4 x 2,097,152 words by 32 bits, fabricated with SAMSUNG’s high performance CMOS technology. Synchronous features with Data Strobe allow extremely high performance up to 6.4GB/s/chip. I/O transactions are possible on both edges of the clock cycle. Range of operating frequencies, and programmable latencies allow the device to be useful for a variety of high performance memory system applications.
Parametrics
K4J55323QG-BC14 absolute maximum ratings: (1)Voltage on any pin relative to Vss: -0.5V to VDDQ + 0.5V; (2)Voltage on VDD supply relative to Vss: -0.5V to 2.5V; (3)Voltage on VDDQ supply relative to Vss: -0.5V to 2.5V; (4)MAX Junction Temperature: 125℃; (5)Storage temperature: -55℃ to 150℃; (6)Power dissipation: TBD W; (7)Short Circuit Output Current: 50mA.
Features
K4J55323QG-BC14 features: (1)On-Die Termination (ODT); (2)Output Driver Strength adjustment by EMRS; (3)Calibrated output drive; (4)1.8V Pseudo Open drain compatible inputs/outputs; (5)4 internal banks for concurrent operation; (6)Commands entered on each positive CK edge; (7)Single ended WRITE strobe (WDQS) per byte; (8)32ms, auto refresh (4K cycle); (9)136 Ball FBGA;(10)DLL for outputs.
Diagrams

(Hong Kong)







