Product Summary
The L7912CV is a negative voltage regulator. It can be used in split power supplies. In addition, the -5.2V is also available for ECL system.
Parametrics
L7912CV absolute maximum ratings: (1)DC Input Voltage (for VO = 5 to 18V): -35 V; (2)DC Input Voltage (forVO = 20, 24V): -40 V; (3)Output Current: Internally limited; (4)Power Dissipation Internally limited; (5)Operating Junction Temperature Range: 0 to 150 °C; (6)Storage Temperature Range: - 65 to 150 °C.
Features
L7912CV features: (1)output current up to 1.5 A; (2)output voltages of -5; -5.2; -6; -8; -9; -12; -15; -18; -20; -22; -24V; (3)thermal overloadprotection; (4)short circuit protection; (5)output transition soa protection.
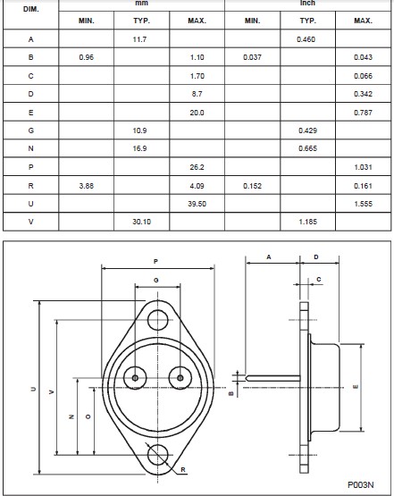
Diagrams

| Image | Part No | Mfg | Description | ![]() |
Pricing (USD) |
Quantity | ||||||||||||
|---|---|---|---|---|---|---|---|---|---|---|---|---|---|---|---|---|---|---|
![]() |
![]() L7912CV |
![]() STMicroelectronics |
![]() Linear Regulators - Standard 12V 1.5A Negative |
![]() Data Sheet |
![]()
|
|
||||||||||||
![]() |
![]() L7912CV-DG |
![]() STMicroelectronics |
![]() Linear Regulators - Standard POS Voltage Reg IC 3-Terminal 1.5A |
![]() Data Sheet |
![]()
|
|
||||||||||||
(Hong Kong)









