Product Summary
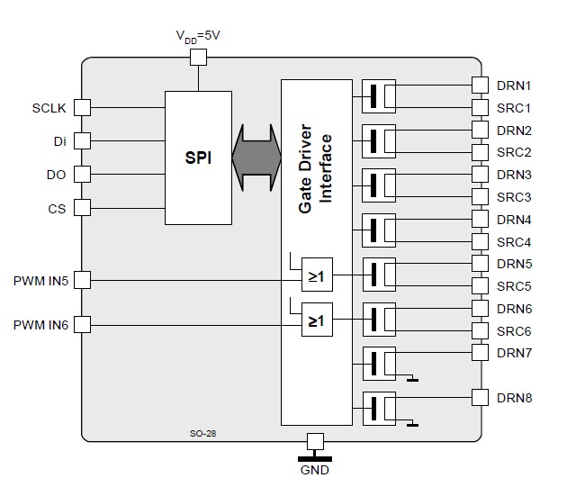
The L9848 is a highly flexible monolithic medium current output driver that incorporates 2 dedicated low side outputs (Outputs 7-8) and 6 outputs that can be used as either internal low or high side drives in any combination (Outputs 1-6). In addition, 2 outputs are capable of being PWMed via an external pin (Outputs 5-6). The integrated standard serial peripheral interface (SPI) controls all outputs and provides diagnostic information.
Parametrics
L9848 absolute maximum ratings: (1)Data lines voltages: -0.3 to 7.0 V; (2)Input voltages: -0.3 to 7.0 V; (3)Output DC voltages: -13.5 to 40 V; (4)Output DC voltages: -13.5 to 60 V; (5)Output transient voltages: -20 to 40 V; (6)Output transient voltages: -20 to 60 V; (7)Max. dissipation energy: 60 mJ.
Features
L9848 features: (1)Configurable up to 6 high side drivers; (2)RDSON=max.1.5W Tj=25°C; (3)Current limit of each output at min. 0.8A; (4)Supply voltage 4.75V to 5.25V; (5)Output voltage clamping min. 35V (low side mode); (6)Output voltage clamping -30V (high side mode); (7)SPI interface for data communication; (8)Additional PWM inputs for 2 outputs; (9)Thermal shutdowfor all outputs; (10)Opeload detectioioff mode; (11)Reverse battery protectiofor outputs (amb); (12)Ground disconnectiofor high side configured outputs.
Diagrams

| Image | Part No | Mfg | Description | ![]() |
Pricing (USD) |
Quantity | ||||||||||||
|---|---|---|---|---|---|---|---|---|---|---|---|---|---|---|---|---|---|---|
![]() |
![]() L9848 |
![]() STMicroelectronics |
![]() Power Driver ICs Octal configurable Low/high side Driver |
![]() Data Sheet |
![]()
|
|
||||||||||||
![]() |
![]() L9848TR |
![]() STMicroelectronics |
![]() Power Driver ICs Octal configurable Low/high side Driver |
![]() Data Sheet |
![]()
|
|
||||||||||||
(Hong Kong)









