Product Summary
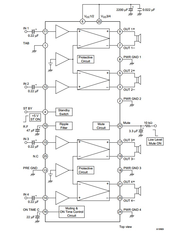
The LA4743B is a 45 W 4-channel power amplifier IC for car stereo systems. It features a built-in bridge circuit and the ability to radically reduce the number of external components required. It is also pin compatible with the LA4743A, which differs in the amount of gain provided.
Parametrics
LA4743B absolute maximum ratings: (1)Maximum supply voltage: VCC max1 Signal present: 18 V, VCC max2 No signal (for 1 minute): 26 V; (2)Maximum output current IOpeak: 4.5/ch A; (3)Allowable power dissipation Pd max With an arbitrarily large heat sink: 50 W; (4)Operating temperature Topr: –40 to +85 °C; (5)Storage temperature Tstg: –40 to +150 °C; (6)Package thermal resistance θjc: 1 °C/W.
Features
LA4743B features: (1)Maximum output power: 45 W × 4 channels (VCC = 14.4 V, 4 Ω load, 1 kHz); (2)40 W × 4 channels (VCC = 13.7 V, 4 Ω load, 1 kHz); (3)Requires only seven external components and does not require an oscillation preve.
Diagrams
| Image | Part No | Mfg | Description | ![]() |
Pricing (USD) |
Quantity | ||||||||||||
|---|---|---|---|---|---|---|---|---|---|---|---|---|---|---|---|---|---|---|
![]() |
![]() LA4743B |
![]() Other |
![]() |
![]() Data Sheet |
![]() Negotiable |
|
||||||||||||
| Image | Part No | Mfg | Description | ![]() |
Pricing (USD) |
Quantity | ||||||||||||
![]() |
![]() LA4700N |
![]() Other |
![]() |
![]() Data Sheet |
![]() Negotiable |
|
||||||||||||
![]() |
![]() LA4705 |
![]() Other |
![]() |
![]() Data Sheet |
![]() Negotiable |
|
||||||||||||
![]() |
![]() LA4708 |
![]() Other |
![]() |
![]() Data Sheet |
![]() Negotiable |
|
||||||||||||
![]() |
![]() LA4708N-E |
![]() ON Semiconductor |
![]() Audio Amplifiers CLASS-AB POWER AMPLIFIER |
![]() Data Sheet |
![]()
|
|
||||||||||||
![]() |
![]() LA4708NF |
![]() Other |
![]() |
![]() Data Sheet |
![]() Negotiable |
|
||||||||||||
![]() |
![]() LA47202P |
![]() Other |
![]() |
![]() Data Sheet |
![]() Negotiable |
|
||||||||||||
(Hong Kong)










