Product Summary
The MC78L08A is a positive voltage regulator which is inexpensive, easy-to-use devices suitable for a multitude of applications that require a regulated supply of up to 100 mA. Like their higher powered MC7800 and MC78M00 Series cousins, The MC78L08A features internal current limiting and thermal shutdown making them remarkably rugged. No external components are required with the MC78L00 devices in many applications. The MC78L08A offers a substantial performance advantage over the traditional zener diode-resistor combination, as output impedance and quiescent current are substantially reduced.
Parametrics
MC78L08A absolute maximum ratings: (1)Input Voltage:30 Vdc(2.6 V-8.0 V), 35 Vdc(12 V-18 V), 40 Vdc(24 V); (2)Storage Temperature Range: 65 to +150℃; (3)Operating Junction Temperature Range: 0 to +150℃.
Features
MC78L08A features: (1)Wide Range of Available, Fixed Output Voltages; (2)Low Cost; (3)Internal Short Circuit Current Limiting; (4)Internal Thermal Overload Protection; (5)No External Components Required; (6)Complementary Negative Regulators Offered (MC79L00A Series); (7)Pb-Free Packages are Available; (8)NCV Prefix for Automotive and Other Applications Requiring Site and Control Changes.
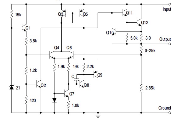
Diagrams
| Image | Part No | Mfg | Description | ![]() |
Pricing (USD) |
Quantity | ||||||||||||
|---|---|---|---|---|---|---|---|---|---|---|---|---|---|---|---|---|---|---|
![]() |
![]() MC78L08ABD |
![]() ON Semiconductor |
![]() Linear Regulators - Standard 8V 100mA Postive |
![]() Data Sheet |
![]() Negotiable |
|
||||||||||||
![]() |
![]() MC78L08ABDG |
![]() ON Semiconductor |
![]() Linear Regulators - Standard 8V 100mA Postive |
![]() Data Sheet |
![]()
|
|
||||||||||||
![]() |
![]() MC78L08ABPG |
![]() ON Semiconductor |
![]() Linear Regulators - Standard 8V 100mA Postive |
![]() Data Sheet |
![]()
|
|
||||||||||||
![]() |
![]() MC78L08ABDR2G |
![]() ON Semiconductor |
![]() Linear Regulators - Standard 8V 100mA Postive |
![]() Data Sheet |
![]()
|
|
||||||||||||
![]() |
![]() MC78L08ABP |
![]() ON Semiconductor |
![]() Linear Regulators - Standard 8V 100mA Postive |
![]() Data Sheet |
![]() Negotiable |
|
||||||||||||
![]() |
![]() MC78L08ABDR2 |
![]() ON Semiconductor |
![]() Linear Regulators - Standard 8V 100mA Postive |
![]() Data Sheet |
![]() Negotiable |
|
||||||||||||
![]() |
![]() MC78L08ACDG |
![]() ON Semiconductor |
![]() Linear Regulators - Standard 8V 100mA Postive |
![]() Data Sheet |
![]()
|
|
||||||||||||
![]() |
![]() MC78L08ABPRAG |
![]() ON Semiconductor |
![]() Linear Regulators - Standard 8V 100mA Postive |
![]() Data Sheet |
![]()
|
|
||||||||||||
(Hong Kong)









