Product Summary
The TB2912HQ is a maximum power 41 W BTL x 4-ch audio power IC. This IC can generate high power, high quality sound output, POUT MAX = 41 W, using a pure complementary P-ch and N-ch DMOS output stage. The built-in self diagnosis function which is included can be controlled via I2C BUS.
Parametrics
TB2912HQ absolute maximum ratings: (1)Quiescent current: 200 mA; (2)Total harmonic distortion: 0.015%; (3)Voltage gain ratio: −1 to 1 dB; (4)Ripple rejection ratio: 40 to 50dB; (5)Cross talk: 65 dB; (6)Output offset voltage: −150 to 150 mV; (7)Input resistance: 90 kΩ; (8)Standby current: 1uA; (9)Stand by & mute control voltage: 7.0 V.
Features
TB2912HQ features: (1)High power output; (2)Built in stand by & muting function: controlled via I2C Bus (pin 16); (3)Built in clipping detection (pin 4); (4)Built in I2C Bus for stand-by, mute, voltage gain control, self diagnosis: Output short detection, offset detection, tweeter or speaker open detection (pin 22 and 25); (5)Built-in various protection circuits; (6)Thermal shut down, over-voltage, out to GND, out to VCC, out to out short circuit; (7)Low distortion ratio: THD = 0.015% (typ.); (8)Low noise: VNO = 90 uVrms (typ.).
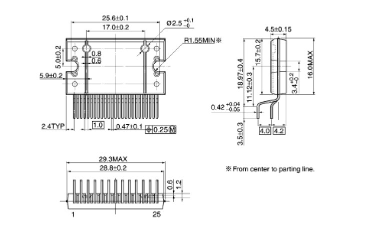
Diagrams

(Hong Kong)






