Product Summary
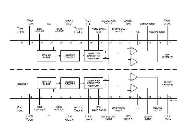
The TDA1547 is a dedicated one-bit digital-to-analog converter to facilitate a high fidelity sound reproduction of digital audio. The TDA1547 is extremely suitable for use in high quality audio systems such as Compact Disc and DAT players, or in digital amplifiers and digital signal processing systems. The TDA1547 is used in combination with the SAA7350 bitstream circuit, which includes the third-order noise shaper.The TDA1547 one-bit converter is processed in BIMOS. In the digital logic and drivers bipolar transistors are used to optimize speed and to reduce digital noise generation. In the analog part the bipolar transistors are used to obtain high performance of the operational amplifiers. Special layout precautions have been taken to achieve a high crosstalk immunity. The layout of the TDA1547 has fully separated left and right channels and supply voltage lines between the digital and analog sections.
Parametrics
TDA1547 absolute maximum ratings: (1)VSUB negative substrate voltage; pin 32: -7.0 - V; (2)VDDD L. R positive digital supply voltage; pins 27 and 6: 5.5 V; (3)VDDD positive digital supply voltage; pin 2: 5.5 V; (4)VSSD L. R negative digital supply voltage; pins 26 and 7: -4.0V; (5)VSSD negative digital supply voltage; pin 31: -5.5V; (6)VDDA positive analog supply voltage; pin 17: 6.0 V; (7)VSSA negative analog supply voltage; pin 16: -6.0 - V; (8)Ptot total power dissipation Tamb = 70 ℃: 1300 mW; (9)Vref L. R input reference voltage; pins 25 and 8: 6.0 V; (10)VCLK L. R input voltage clock; pins 28 and 5: -0.5 to VDDD+0.5 V; (11)VI L input voltage channel; pin 30: -0.5 VDDD+0.5 V; (12)VI R input voltage channel; pin 3: -0.5 VDDD+0.5 V; (13)Tamb operating ambient temperature: -20 70 ℃; (14)Tstg storage temperature: -40 to 150 ℃; (15)TXTAL maximum crystal temperature: - 150 ℃; (16)VES electrostatic handling note 2: - 2000 V.
Features
TDA1547 features: (1)Top-grade audio performance; (2)very low harmonic distortion; (3)high signal-to-noise ratio; (4)wide dynamic range of approximately 108 dB (not A-weighted); (5)High crosstalk immunity; (6)Bitstream concept; (7)high over-sampling rate up to 192 fs; (8)pulse-density modulation; (9)inherently monotonic; (10)no zero-crossing distortion.
Diagrams

| Image | Part No | Mfg | Description | ![]() |
Pricing (USD) |
Quantity | ||||||||||||
|---|---|---|---|---|---|---|---|---|---|---|---|---|---|---|---|---|---|---|
![]() |
![]() TDA1547 |
![]() Other |
![]() |
![]() Data Sheet |
![]() Negotiable |
|
||||||||||||
| Image | Part No | Mfg | Description | ![]() |
Pricing (USD) |
Quantity | ||||||||||||
![]() |
![]() TDA1001B |
![]() Other |
![]() |
![]() Data Sheet |
![]() Negotiable |
|
||||||||||||
![]() |
![]() TDA1001BT |
![]() Other |
![]() |
![]() Data Sheet |
![]() Negotiable |
|
||||||||||||
![]() |
![]() TDA10021HT |
![]() Other |
![]() |
![]() Data Sheet |
![]() Negotiable |
|
||||||||||||
![]() |
![]() TDA10025HN/C1,518 |
![]() NXP Semiconductors |
![]() Modulator / Demodulator Dual Cable (QAM) Demodulator |
![]() Data Sheet |
![]()
|
|
||||||||||||
![]() |
![]() TDA10025HN/C1,551 |
![]() NXP Semiconductors |
![]() Modulator / Demodulator DUAL CBL DEMODULATOR |
![]() Data Sheet |
![]()
|
|
||||||||||||
![]() |
![]() TDA10025HN/C1,557 |
![]() NXP Semiconductors |
![]() Modulator / Demodulator DUAL CBL DEMODULATOR |
![]() Data Sheet |
![]()
|
|
||||||||||||
(Hong Kong)









