Product Summary
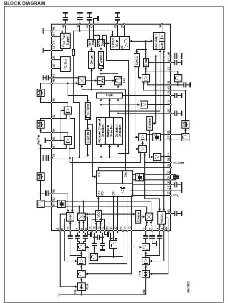
The TDA7511N is a high performance tuner circuit for AM/FM car radio. The TDA7511N contains mixers, IF amplifiers, demodulators for AM and FM, quality detection, ISS filter and PLL synthesizer with IF counter on a single chip. Use of BICMOS technology allows the implementation of several tuning functions and a minimum of external components.
Parametrics
TDA7511N absolute maximum ratings: (1)Supply voltage: 10.5 V; (2)Tamb ambient temperature: -40 to 85℃; (3)Storage temperature: -55 to +150℃.
Features
TDA7511N features: (1)High performance fast pll for rdssystem; (2)IF counter for fm and am upconversion with search stop signal; (3)Quality detector for level, deviation, adjacent channel and multipath; (4)Quality detection informations as analog signals external available ISS (intelligent selectivity system) for cancellation of adjacent channel and noise influences; (5)Adjacent channel mute; (6)Fully electronic alignment; (7)All functions i2c-bus controlled; (8)ISS filter status information i2c-bus readable.
Diagrams

(Hong Kong)






