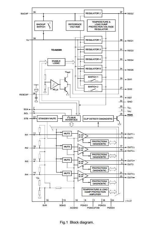
Product Summary
The TDA8589BJ is a multiple voltage regulator. The TDA8589BJ has a complementary quad audio power amplifier that uses BCDMOS technology. It contains four amplifiers configured in Bridge Tied Load (BTL) to drive speakers for front and rear left and right channels. The I2C-busallowsdiagnosticinformationofeachamplifierand its speaker to be read separately. The applications of it are Boost amplifier and voltage regulator for car radios and CD/MD players.
Parametrics
TDA8589BJ absolute maximum ratings: (1)voltage on pin STB operating: 0 to 24 V; (2)IOSM non-repetitive peak output current: 10 A; (3)IORM repetitive peak output current: 6 A; (4)Vsc AC and DC short-circuit voltage: 18 V; (5)Vrp reverse polarity voltage voltage: 18 V; (6)Ptot total power dissipation: 80 W; (7)junction temperature: 150°C; (8)Tstg storage temperature: 55 to 150°C; (9)Tamb ambient temperature: 40 to 85°C; (10)Vesd electrostatic discharge voltage: 2000 V.
Features
TDA8589BJ features: (1)Selectable output voltages for regulators 1, 4 and 5; (2)Low dropout voltage PNP output stages; (3)High supply voltage ripple rejection; (4)Low noise for all regulators; (5)Two power switches (antenna switch and amplifier switch); (6)Regulator 2 (microcontroller supply)operational during load-dump and thermal shut-down; (7)Low quiescent current (only regulator 2 is operational); (8)Reset output (push-pull output stage); (9)Adjustable reset delay time; (10)Backup functionality.
Diagrams

| Image | Part No | Mfg | Description | ![]() |
Pricing (USD) |
Quantity | ||||
|---|---|---|---|---|---|---|---|---|---|---|
![]() |
![]() TDA8589BJ/N3 |
![]() NXP Semiconductors |
![]() Audio Amplifiers POWER AMPL + STABI |
![]() Data Sheet |
![]() Negotiable |
|
||||
![]() |
![]() TDA8589BJ/N3,112 |
![]() NXP Semiconductors |
![]() Audio Amplifiers POWER AMPL + STABI |
![]() Data Sheet |
![]() Negotiable |
|
||||
(Hong Kong)










