Product Summary
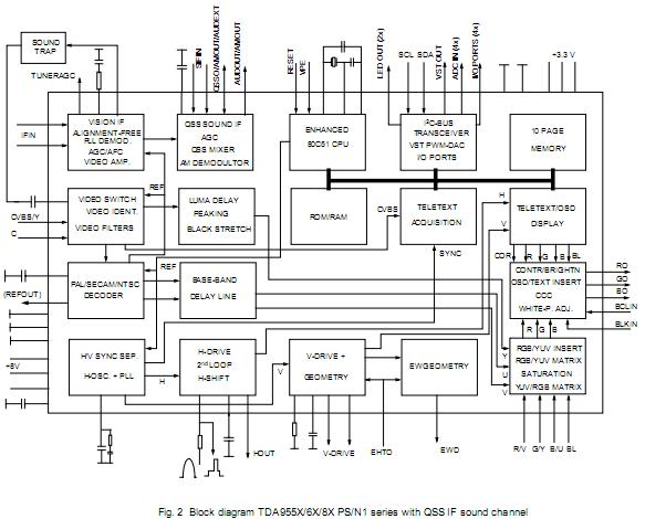
The TDA9550H/N3/3 is a TV signal processor-Teletext decoder. It combines the functions of a video processor together with a µ-Controller and US Closed Caption decoder. Several versions have a Teletext decoder on board. The TDA9550H/N3/3 has an internal RAMmemory for 1or 10 page text. The TDA9550H/N3/3 has supply voltages of 8 V and 3.3 V and they are mounted in an S-DIP 64 envelope. The features are given in the following feature list.
Parametrics
TDA9550H/N3/3 absolute maximum ratings: (1)supply voltage:9V; (2)supply voltage (all digital supplies):-0.5V to 5.0V; (3)digital inputs:-0.5V to VDD+ 0.5V; (4)digital outputs:-0.5V to VDD+ 0.5V; (5)output current (each output):±10mA; (6)DC input or output diode current:±20mA; (7)storage temperature:-25℃ to +150℃; (8)operating ambient temperature:0℃ to 70℃; (9)soldering temperature for 5 s:260℃; (10)operating junction temperature:150℃; (11)electrostatic handling HBM; all pins:-2000V to +2000V, MM; all pins:-300V to +300V.
Features
TDA9550H/N3/3 features: (1)Teletext and Enhanced OSD modes; (2)Features of level 1.5 WST and US Close Caption; (3)Serial and Parallel Display Attributes; (4)Single/Double/Quadruple Width and Height for characters; (5)Scrolling of display region; (6)Variable flash rate controlled by software; (7)Enhanced display features including overlining, underlining and italics; (8)Soft colours using CLUT with 4096 colour palette; (9)Two 16-bit Timer/Counter registers; (10)One 16 bit Timer with 8-bit Pre-scaler; (11)WatchDog timer; (12)Auxiliary RAM page pointer; (13)16-bit Data pointer; (14)Stand-by, Idle and Power Down (PD) mode; (15)14 bits PWM for Voltage Synthesis Tuning; (16)8-bit A/D converter; (17)Fringing (Shadow) selectable from N-S-E-W direction; (18)Fringe colour selectable; (19)Meshing of defined area; (20)Contrast reduction of defined area ; (21)Cursor; (22)Special Graphics Characters with two planes, allowing four colours per character.
Diagrams

(Hong Kong)







