Product Summary
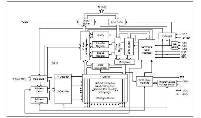
The TE28F128J3C150 is an Intel StrataFlash Memory. It provides 2X the bits in 1X the space, with new features for mainstream performance. Offered in 256-Mbit (32-Mbyte), 128-Mbit (16-Mbyte), 64-Mbit, and 32-Mbit densities, the TE28F128J3C150 brings reliable, two-bit-per-cell storage technology to the flash market segment. Benefits include more density in less space, high-speed interface, lowest cost-per-bit NOR device, support for code and data storage, and easy migration to future devices.
Parametrics
TE28F128J3C150 absolute maximum ratings: (1)Temperature under Bias Extended: –40℃ to +85℃; (2)Storage Temperature: –65℃ to +125℃ ; (3)Voltage On Any signal: –2.0V to +5.0V; (4)Output Short Circuit Current: 100mA.
Features
TE28F128J3C150 features: (1)110/115/120/150 ns Initial Access Speed; (2)125 ns Initial Access Speed (256 Mbit density only); (3)25 ns Asynchronous Page-Mode Reads; (4)30 ns Asynchronous Page-Mode Reads (256Mbit density only); (5)32-Byte Write Buffer; (6)6.8 μs per byte effective programming time; (7)Program and Erase suspend support; (8)Flash Data Integrator (FDI), Common Flash Interface (CFI) Compatible; (9)128-bit Protection Register; (10)64-bit Unique Device Identifier; (11)64-bit User Programmable OTP Cells; (12)Absolute Protection with VPEN= GND; (13)Individual Block Locking; (14)Block Erase/Program Lockout during Power Transitions; (15)Multi-Level Cell Technology: High Density at Low Cost; (16)High-Density Symmetrical 128-Kbyte Blocks.
Diagrams
| Image | Part No | Mfg | Description | ![]() |
Pricing (USD) |
Quantity | ||||
|---|---|---|---|---|---|---|---|---|---|---|
![]() |
![]() TE28F128J3C150SL759 |
![]() |
![]() IC FLASH 128MBIT 150NS 56TSOP |
![]() Data Sheet |
![]() Negotiable |
|
||||
| Image | Part No | Mfg | Description | ![]() |
Pricing (USD) |
Quantity | ||||
![]() |
![]() TE28F004S3-150 |
![]() Other |
![]() |
![]() Data Sheet |
![]() Negotiable |
|
||||
![]() |
![]() TE28F004S5-100 |
![]() Other |
![]() |
![]() Data Sheet |
![]() Negotiable |
|
||||
![]() |
![]() TE28F004SC-100 |
![]() Other |
![]() |
![]() Data Sheet |
![]() Negotiable |
|
||||
![]() |
![]() TE28F008B3B120 |
![]() Other |
![]() |
![]() Data Sheet |
![]() Negotiable |
|
||||
![]() |
![]() TE28F008B3BA110 |
![]() Other |
![]() |
![]() Data Sheet |
![]() Negotiable |
|
||||
![]() |
![]() TE28F008SA-100 |
![]() Other |
![]() |
![]() Data Sheet |
![]() Negotiable |
|
||||
(Hong Kong)










