Product Summary
The TLP350 is a small outline coupler. And it can be used in (1)inverter for air conditioner; (2)IGBT/power MOS FET gate drive; (3)industrial inverter.
Parametrics
TLP350 absolute maximum ratings: (1)Forward current: 20 mA; (2)Forward current detating (Ta≥53°C): -0.54 mA / °C; (3)Peak transient forward current: 1 A; (4)Reverse voltage: 5 V; (5)"H" peak output current: -2.0 A; (6)"L" peak output current: 2.0 A; (7)Junction temperature: 125 °C; (8)Storage temperature range: -55 to 125 °C; (9)Operating and storage junction temperature range: -55 to 100 °C; (10)Lead soldering temperature (10s): 260 °C.
Features
TLP350 features: (1)Peak output current: IO = +/-2.0 A (max); (2)Guaranteed performance over temperature: -40 to 100°C; (3)Supply current:ICC = 2 mA (max); (4)Power supply voltage: VCC = 15 to 30 V; (5)Threshold input current : IFLH = 5 mA (max); (6)Switching time (tpLH/tpHL) : 500 ns (max); (7)Common mode transient immunity: 15 kV/μs; (8)Isolation voltage: 3750 Vrms.
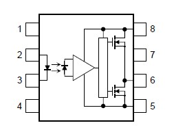
Diagrams

| Image | Part No | Mfg | Description | ![]() |
Pricing (USD) |
Quantity | ||||||||||||
|---|---|---|---|---|---|---|---|---|---|---|---|---|---|---|---|---|---|---|
![]() |
![]() TLP350 |
![]() |
![]() IC PHOTOCOUPLER IRED 8-DIP |
![]() Data Sheet |
![]() Negotiable |
|
||||||||||||
![]() |
![]() TLP350(F) |
![]() Toshiba |
![]() Logic Output Optocouplers IC Cplr IGBT drive IFLH=5mA |
![]() Data Sheet |
![]()
|
|
||||||||||||
![]() |
![]() TLP350(TP1,F) |
![]() Toshiba |
![]() Logic Output Optocouplers IC Cplr IGBT drive |
![]() Data Sheet |
![]()
|
|
||||||||||||
![]() |
![]() TLP3502 |
![]() Other |
![]() |
![]() Data Sheet |
![]() Negotiable |
|
||||||||||||
![]() |
![]() TLP3502A |
![]() Other |
![]() |
![]() Data Sheet |
![]() Negotiable |
|
||||||||||||
![]() |
![]() TLP3503 |
![]() Other |
![]() |
![]() Data Sheet |
![]() Negotiable |
|
||||||||||||
![]() |
![]() TLP3506 |
![]() Other |
![]() |
![]() Data Sheet |
![]() Negotiable |
|
||||||||||||
![]() |
![]() TLP3507 |
![]() Other |
![]() |
![]() Data Sheet |
![]() Negotiable |
|
||||||||||||
(Hong Kong)











