Product Summary
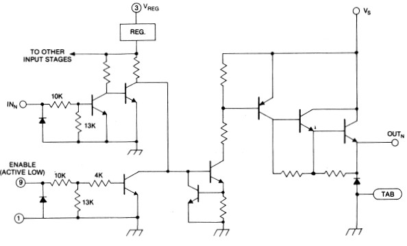
The UDN2944W is a quad high-current, high-voltage source driver. Individual supply lines have been provided for each pair of drivers so that different supplies can be used to drive multiple loads. The controlling inputs are TTL or CMOS compatible. The outputs include transient-suppression diodes for inductive loads.
Parametrics
UDN2944W absolute maximum ratings: (1)Supply Voltage Range, VS: 10 V to 60 V; (2)Output Current, IOUT: (continuous): -4.0 A, (peak): -5.0 A; (3)Input Voltage, VIN: 15 V; (4)Operating Temperature Range, TA: -20°C to +85°C; (5)Storage Temperature Range, TS: -55°C to +150°C.
Features
UDN2944W features: (1)Output Current to 4 A; (2)Output Voltage to 60 V; (3)Loads to 960 W; (4)Integral Output Suppression Diodes; (5)TTL and CMOS Compatible Inputs; (6)Plastic Single In-Line Package; (7)Heat-Sink Tab.
Diagrams
(Hong Kong)






