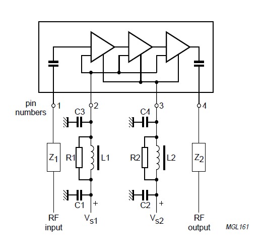
Product Summary
The BGY925 is a UHF amplifier module. The BGY925 is a three-stage UHF amplifier module in a SOT365A package. The BGY925 consists of one NPN silicon planar transistor die and two silicon MOSFET dies mounted on a metallized ceramic AlN substrate, together with matching and bias circuitry. It is ideal for: (1)Base station transmitting equipment operating in the; (2)920 to 960 MHz frequency range..
Parametrics
BGY925 absolute maximum ratings: (1)VS1 DC supply voltage: 28 V; (2)VS2 DC supply voltage: 28 V; (3)PD input drive power: 80 mW; (4)PL load power: 32 W; (5)Tstg storage temperature: -30 to +100℃; (6)Tmb operating mounting-base temperature: -10 to +90℃.
Features
BGY925 features: (1)26 V nominal supply voltage; (2)23 W output power into a load of 50 W with an RF drive power of 36 mW.
Diagrams

| Image | Part No | Mfg | Description | ![]() |
Pricing (USD) |
Quantity | ||||
|---|---|---|---|---|---|---|---|---|---|---|
![]() |
![]() BGY925 |
![]() Other |
![]() |
![]() Data Sheet |
![]() Negotiable |
|
||||
| Image | Part No | Mfg | Description | ![]() |
Pricing (USD) |
Quantity | ||||
![]() |
![]() BGY915 |
![]() Other |
![]() |
![]() Data Sheet |
![]() Negotiable |
|
||||
![]() |
![]() BGY916 |
![]() Other |
![]() |
![]() Data Sheet |
![]() Negotiable |
|
||||
![]() |
![]() BGY925 |
![]() Other |
![]() |
![]() Data Sheet |
![]() Negotiable |
|
||||
(Hong Kong)









