Product Summary
The MHL19936 is a RF LinePCS BandRF Linear LDMOS Amplifier.
Parametrics
MHL19936 absolute maximum rarings: (1)DC Supply Voltage VDD: 30 Vdc; (2)RF Input Power Pin: +16 dBm; (3)Storage Temperature Range Tstg: –40 to +100 °C; (4)Operating Case Temperature Range TC: –20 to +100 °C.
Features
MHL19936 features: (1)Excellent Phase Linearity and Group Delay Characteristics; (2)Ideal for Feedforward Base Station Applications; (3)N Suffix Indicates Lead-Free Terminations.
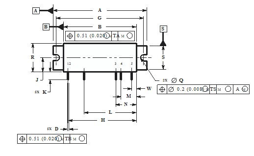
Diagrams

| Image | Part No | Mfg | Description |  | Pricing (USD) | Quantity | ||||
|---|---|---|---|---|---|---|---|---|---|---|
|  |  MHL19936 |  Other |  |  Data Sheet |  Negotiable |  | ||||
|  |  MHL19936N |  Other |  |  Data Sheet |  Negotiable |  | ||||
 (Hong Kong)
 (Hong Kong) 
                         
                        
 
                                    




