Product Summary
The mrf21125s is a rf power field effect transistor.The mrf21125s is designed for W–CDMA base station applications with frequencies from 2110 to 2170 MHz. Suitable for TDMA, CDMA and multicarrier amplifier applications. To be used in Class AB for PCN–PCS/cellular radio and WLL applications.
Parametrics
mrf21125s absolute maximum ratings: (1)Drain–Source Voltage VDSS: 65 Vdc; (2)Gate–Source Voltage VGS: +15, -0.5 Vdc; (3)Storage Temperature Range Tstg: -65 to +150 ℃; (4)Operating Junction Temperature TJ: 200 ℃.
Features
mrf21125s features: (1)100% Tested under 2–carrier W–CDMA; (2)Internally Matched, Controlled Q, for Ease of Use; (3)High Gain, High Efficiency and High Linearity; (4)Integrated ESD Protection; (5)Designed for Maximum Gain and Insertion Phase Flatness; (6)Capable of Handling 5:1 VSWR, @ 28 Vdc, 2170 MHz, 125 Watts (CW); (7)Output Power; (8)Excellent Thermal Stability; (9)Characterized with Series Equivalent Large–Signal Impedance Parameters; (10)Available in Tape and Reel. R3 Suffix = 250 Units per 56 mm, 13 inch Reel.
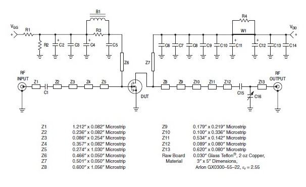
Diagrams

| Image | Part No | Mfg | Description | ![]() |
Pricing (USD) |
Quantity | ||||
|---|---|---|---|---|---|---|---|---|---|---|
![]() |
![]() MRF21125S |
![]() Other |
![]() |
![]() Data Sheet |
![]() Negotiable |
|
||||
| Image | Part No | Mfg | Description | ![]() |
Pricing (USD) |
Quantity | ||||
![]() |
![]() MRF20030 |
![]() Other |
![]() |
![]() Data Sheet |
![]() Negotiable |
|
||||
![]() |
![]() MRF20030R |
![]() Other |
![]() |
![]() Data Sheet |
![]() Negotiable |
|
||||
![]() |
![]() MRF20060 |
![]() Other |
![]() |
![]() Data Sheet |
![]() Negotiable |
|
||||
![]() |
![]() MRF20060_1248487 |
![]() Other |
![]() |
![]() Data Sheet |
![]() Negotiable |
|
||||
![]() |
![]() MRF20060R |
![]() Other |
![]() |
![]() Data Sheet |
![]() Negotiable |
|
||||
![]() |
![]() MRF20060RS |
![]() Other |
![]() |
![]() Data Sheet |
![]() Negotiable |
|
||||
(Hong Kong)









