Product Summary
The MRF372 is a RF Power Field-Effect Transistor. It is Designed for broadband commercial and industrial applications with frequencies from 470 to 860 MHz. The high gain and broadband performance of the MRF372 makes it ideal for large--signal, common source amplifier applications in 32 volt transmitter equipment.
Parametrics
MRF372 absolute maximum ratings: (1)Drain–Source Voltage VDSS: 68 Vdc; (2)Gate–Source Voltage VGS: – 0.5 to +15 Vdc; (3)Drain Current – Continuous ID: 17 Adc; (4)Total Device Dissipation @ TC = 25℃ PD: 350W; (5)Derate above 25℃ PD: 2.0 W/℃; (6)Storage Temperature Range Tstg: – 65℃ to +150℃; (7)Operating Junction Temperature TJ: 200℃.
Features
MRF372 features: (1)Internally Matched, Controlled Q, for Ease of Use; (2)Integrated ESD Protection; (3)100% Tested for Load Mismatch Stress at All Phase Angles with 3:1 VSWR @ 32 Vdc, f1 = 857 MHz, f2 = 863 MHz, 180 Watts PEP; (4)Excellent Thermal Stability; (5)Characterized with Series Equivalent Large- signal Impedance Parameters.
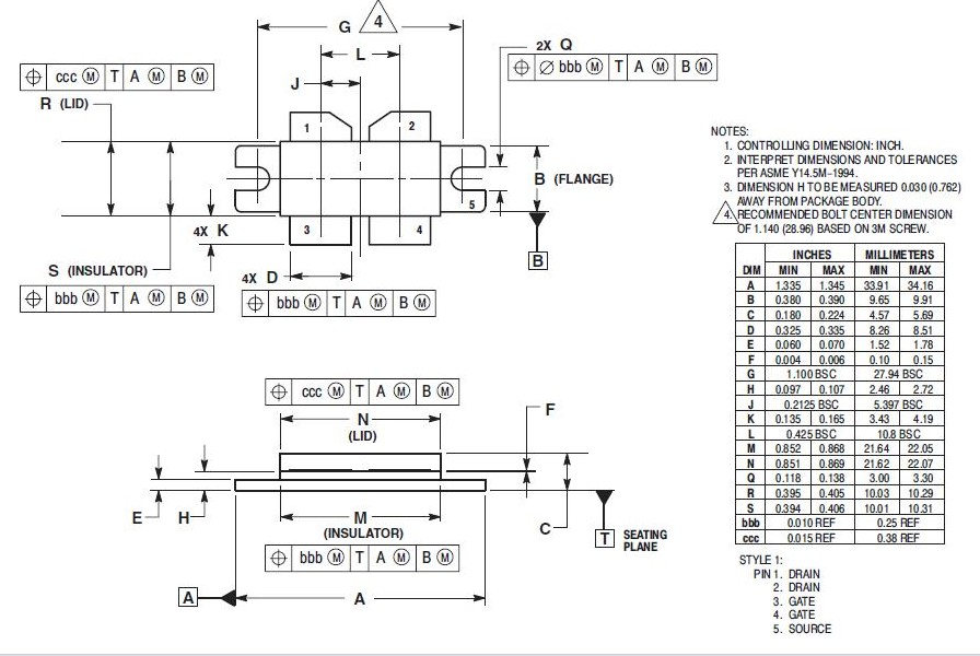
Diagrams

| Image | Part No | Mfg | Description | ![]() |
Pricing (USD) |
Quantity | ||||
|---|---|---|---|---|---|---|---|---|---|---|
![]() |
![]() MRF372 |
![]() Other |
![]() |
![]() Data Sheet |
![]() Negotiable |
|
||||
![]() |
![]() MRF372R3 |
![]() Freescale Semiconductor |
![]() Transistors RF MOSFET Power 180W 860MHZ NI-860MOD |
![]() Data Sheet |
![]() Negotiable |
|
||||
![]() |
![]() MRF372R5 |
![]() Freescale Semiconductor |
![]() Transistors RF MOSFET Power 180W 860MHZ NI-860MOD |
![]() Data Sheet |
![]() Negotiable |
|
||||
(Hong Kong)









