Product Summary
The MRF5S21130HS is an N-Channel Enhancement-Mode Lateral MOSFET. Designed for broadband commercial and industrial applications with frequencies up to 500 MHz. The high gain and broadband performance of the MRF5S21130HS makes it ideal for large - signal, common- source amplifier applications in 28 volt base station equipment.
Parametrics
MRF5S21130HS absolute maximum ratings: (1)Drain-Source Voltage, VDSS: -0.5 to +65 Vdc; (2)Gate-Source Voltage, VGS: -0.5, +15 Vdc; (3)Storage Temperature Range, Tstg: - 65 to +150℃; (4)Operating Junction Temperature, (1,2) TJ: 200℃.
Features
MRF5S21130HS features: (1)Characterized with Series Equivalent Large-Signal Impedance Parameters; (2)Internally Matched for Ease of Use; (3)Qualified Up to a Maximum of 32 VDD Operation; (4)Integrated ESD Protection; (5)200℃ Capable Plastic Package; (6)RoHS Compliant; (7)In Tape and Reel. R1 Suffix = 500 Units per 44 mm, 13 inch Reel.
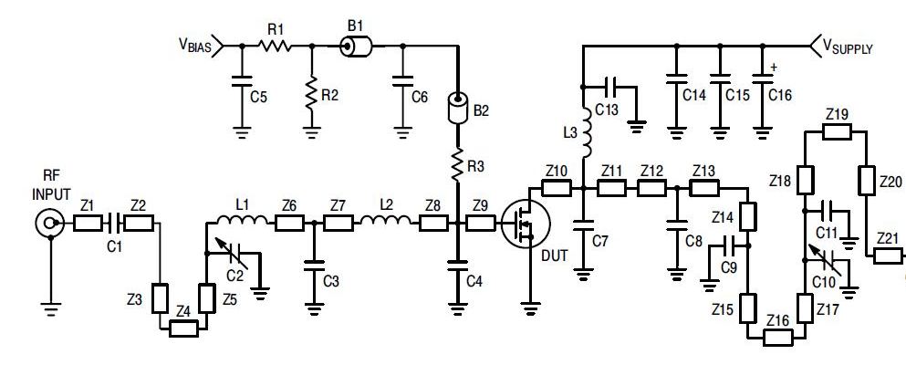
Diagrams

| Image | Part No | Mfg | Description | ![]() |
Pricing (USD) |
Quantity | ||||
|---|---|---|---|---|---|---|---|---|---|---|
![]() |
![]() MRF5S21130HSR3 |
![]() Freescale Semiconductor |
![]() Transistors RF MOSFET Power HV5 LDMOS WCDMA NI880 |
![]() Data Sheet |
![]() Negotiable |
|
||||
![]() |
![]() MRF5S21130HSR5 |
![]() Freescale Semiconductor |
![]() Transistors RF MOSFET Power HV5 LDMOS WCDMA NI880 |
![]() Data Sheet |
![]() Negotiable |
|
||||
(Hong Kong)









