Product Summary
The PF0342A is a MOS FET power amplifier.
Parametrics
PF0342A absolute maximum ratings: (1)Supply voltage VDD: 17 V; (2)Supply current IDD: 3 A; (3)PC voltage VPC: 4.5 V; (4)Input power: 50 mW; (5)Operating case temperature Tc (op): -30 to +100℃; (6)Storage temperature: -40 to +110℃.
Features
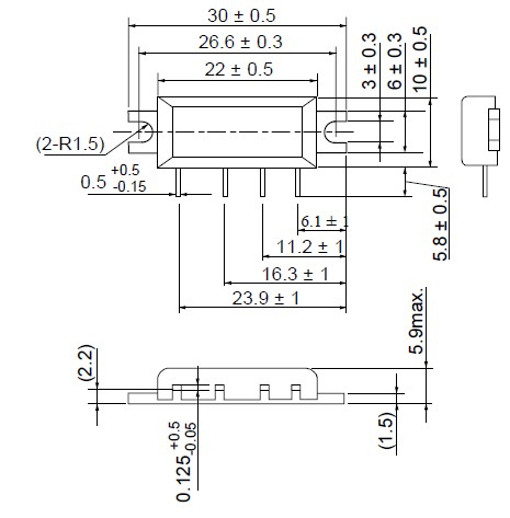
PF0342A features: (1)Small package: 30x10x5.9 mm; (2)¡¤High output power at low voltage: 2 W Typ at 4.8 V; (3)Low power control current: 200 uA Typ.
Diagrams

(Hong Kong)






